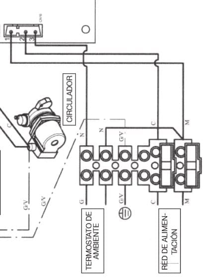
Instalación netatmo termostato en caldera baxiroca novanox24/24
He instalado termostato en caldera novanox 24/24 pero no enciende la caldera, he sustituido uno que tenia equalion que tampoco conseguí que funcionara, inicialmente tenia uno manual de cable, pero se tuvo que anular el cableado por avería y ahora quiero ponerlo wifi, pero no hace el encendido de la caldera
¿No se si tengo que configurar la caldera de alguna manera?
1 respuesta
Respuesta de Rober Chispas
1



