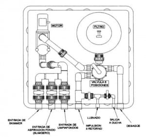
Tengo 2 salidas, el skimmer y el de la toma de fondo, se puede agregar una llave en el gabinete de la bomba para el barrefondo
No me pusieron el caño para conectar el barrefondo, quería saber si se puede poner una llave dentro de gabinete donde llegan los dos caños, uno del skimmer y otro de la toma de fondo, antes de llegar a la bomba para conectar la manguera del barrefondo
2 respuestas
Respuesta de JS BP
1
Respuesta de diego fernando


