Relé estado solido (SSR) ... Problemas después de modificar carga

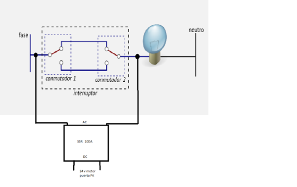
Tengo el sistema del dibujo en el parking de casa para en cender la luz manualmente y cuando se abre la puerta del parking :2 conmutadores, SSR en paralelo y 4 fluorescentes ... El SSR se activa por 24vdc de la lámpara led de iluminación que tiene el motor de la puerta del parking... Funcionando de maravilla cuando se abre la puerta del parking y no ha fallado nunca.
Tenia en la cabeza hace algún tiempo cambiar los fluorescentes por tubos led para aumentar la luz, disminuir el consumo y evitar el zumbido que a veces hacen los fluorescentes, por lo que he comprado cuatro tubos led de formato fluorescente, he eliminado las inductancias y cebadores y modificado el cableado uno por uno y todo perfecto... Y he tirado los restos.
Al día siguiente, la iluminación es perfecta, pero falla la activación del SSR el 90% de las ocasiones, por lo que no se encienden al abrir la puerta del parking
Después de hacer muchas pruebas, siempre se enciende el led del SSR, pero no cierra el circuito de carga.. Si hago un on/off de las luces manualmente o desconecto y conecto un hilo de la carga en el SSR, el SSR se activa.
He comprado otro SSR de otra marca y 25A y todavía falla más.
Para simplificar, he desmontado uno de los tubos, el SSR y lo he montado en una mesa y he probado:
-Con una lámpara incandescente, hace amago de encenderse, pero no funciona
-Con un lámpara halogena, lo mismo
-Con el tubo led, cuando funciona, si pongo en paralelo la lámpara incandescente, la lámpara hace un guiño y se apaga el tubo led... El SSR se desactiva
-No puedo probar con fluorescentes, pues ya no tengo
-He probado activar el SSR con una fuente y funciona OK, por lo que he medido la tensión de activación ... 23v y no varia.
Mi conclusión es que aunque ha estado funcionando hasta ahora y ahora con los led el consumo es menor, algo tiene la tensión de activación que viene de la lámpara led y parece que también influye el tipo de carga.
¿Se os ocurre algo? ... Algún invento sin cambiar mucho el escenario actual, ya que utilizar la activación del SSR con la luz del motor es perfecto ya que se enciende al abrir la puerta y se cierra al cabo de 5 minutos