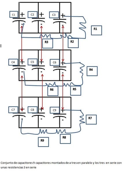
Conjunto de capacitores en paralelo y en serie
Quiero montar un conjunto de capacitores en paralelo y luego en serie con unas resistencias. Mi pregunta es si el esquema que he hecho está bien. Gracias.


2 respuestas
Respuesta de Jose Miguel Sirgo Pascual
1
Respuesta de albert buscapolos Ing°
1

Pero estás cortocircuitando los capacitores !! - albert buscapolos Ing°
Seguís dejando la Línea en cirtocircuito - Mario Gomez