¿Cómo hago la sustitución de termostato analógico por uno digital?
Querría cambiar un termostato analógico por uno digital de la marcar Welquic (BHT-6000) en una caldera de gasoil ROCA Gavina GTI. Desconozco si hay que cambiar las conexiones en la tarjeta de la caldera para que funcione.
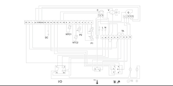
Esquema eléctrico caldera:

Conexiones del termostato nuevo a instalar:


Agradecería indicaciones del conexionado o necesidades para que funcione correctamente.
Respuesta de Antonio Miguel Servicio Tecnico
1
2 respuestas más de otros expertos
Respuesta de Rober Chispas
3
Respuesta de Carlos Bellmunt
1


