Encender luz parking con la apertura de la puerta
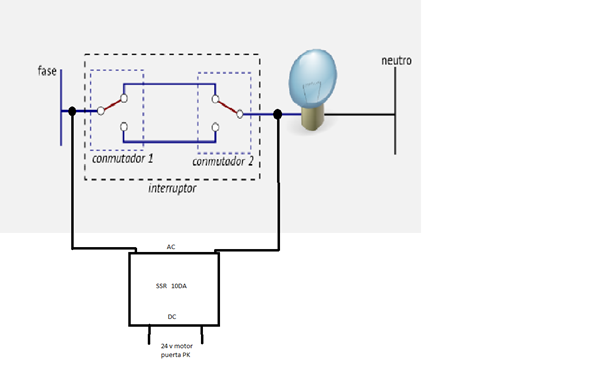
La luz general del parking se enciende/apaga con dos interruptores conmutadores en cada extremo.
El mecanismo de apertura de la puerta del parking enciende una pequeña luz de led de 24 v cuando se abre la puerta que no es suficiente, por lo que he comprado un SSR (rele estado solido) que se activa con 24v cerrando circuito de 220v que enciende otra luz en el parking.
Estoy dandole vueltas para ver como se puede encender la luz general del parking con los 2 conmutadores de forma manual como esta hasta ahora y encender la misma luz con el SSR que se activa cuando se abre la puerta del parking... ¿alguna idea?
Respuesta de f.j a.v
1
3 respuestas más de otros expertos
Respuesta de Albert Nuñez
2
Respuesta de Mario Gomez
1
Respuesta de Botijo Antiguo
1
