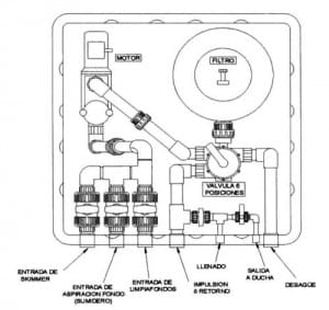
Cómo se pega la manguera aspirante en motobomba
Estoy reordenando la piscina. Y estoy por cambiar de lugar la motobomba Vulcano bar 100-2 1.0 hola y quisiera saber cómo se pega la manguera aspirante en la electrobomba. Si usa algunos pegamentos como sellador de roscas y silicona de temperatura. Además necesito afirmarlo que me recomienda dónde lo puedo afirmar si en alguna madera (cuando se moja después se deteriora) o cerámico. Etc. Escucha repuestas saludos
2 respuestas
Respuesta de jose francisco rozas sanchez
1
Respuesta de JS BP
1

