¿Cual mesura de tensión no es correcta?
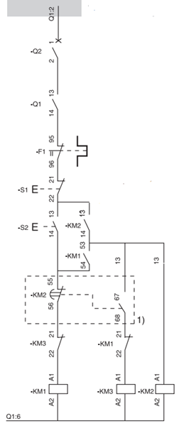
El motor está funcionando ya en su régimen permanente, es decir, después de pasado el tiempo inicial de arranque. La tensión nominal de las bobinas es de 230V. ¿Cuál de estas medidas de tensión no sería correcta obtener si el funcionamiento de la instalación es totalmente correcto?
a) 230 V entre bornes A1 y A2 de KM3
b) 230 V entre bornes A1 y A2 de KM1
c) 230 V entre bornes A1 y A2 de KM2
d) 230 V entre bornes A1 y A2 de KM2 y bornes A1 y A2 de KM3

1 respuesta
Respuesta de vicente14
1

Exacto Vicente... tal vez habría que aclararle que el elemento ubicado entre 55-56 de KM2 simboliza un contacto NC de apertura temp0orizada - albert buscapolos Ing°