I. Hola compañero, no soy ningún entendido pero según sé esta falla puede deberse normalmente a uno o varios condensadores estropeados, a simple suciedad (polvo) acumulado rn elinterior del aparato, o a un fallo en la clavija de los auriculares en el contacto que abre y cierra al introducir o extraer la clavija. Por ejemplo podrías verificar primero el estado de las clavijas a las que se conectan los altavoces. Para esta incidencia, además de buscar esquemas, podemos ver hilos de otros usuarios que tuvieron el mismo problema.
http://audio.yoreparo.com/autoestereo/1055859.html
http://audio.yoreparo.com/reparacion_de_audio/plroblema-con-amplificador-de-audio-t395479.html
http://www.forosdeelectronica.com/f11/reparacion-amplificador-70672/
https://www.youtube.com/watch?v=QW8lbkWQxLQ
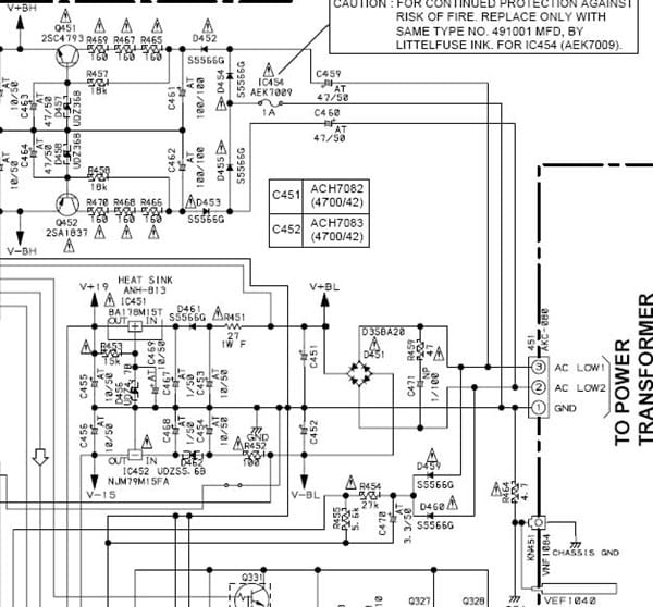
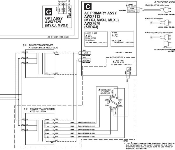
El diagrama o esquema, junto con el manual de servicio lo podemos descargar desde estos enlaces pero precisan registro y dos de ellos no son gratuitos. (Salvo el primer enlace que muestra parte del diagrama)
http://www.manualslib.com/manual/701568/Pioneer-A-109.html?page=4#manual
http://www.hifi-manuals.com/Pioneer/A-109/downloads

https://www.manual-buddy.com/p/pioneer/a109-service-manual.html
http://www.nodevice.com/manual/pioneer/RRV2284pdf/get62483.html


A ver si se pudiera avanzar..