Fuente de alimentación se calienta el transistor de potencia en exceso
He construido la fuente de alimentación variable la cual lleva un tip 3055 para aumentar la corriente hasta 4 amp. Y regula bien pero con un simple taladro mini que consume 0,8 amp. El tip se calienta en exceso hasta el punto de tocar con el dedo y quemar.
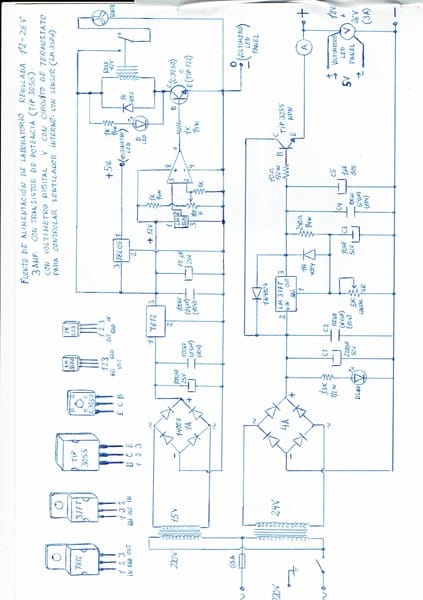
Subo esquema .esta quitado de la página (construya su video rockola)
El tip le he puesto un radiador generoso en medidas y aun así se calienta todo.
A todo esto le he añadido otro circuito de control de temperatura.
Funciona todo bien pero en el momento de alimentar aunque sea una simple sirena de un juguete el tip con su radiador se derriten.
Gracias por su respuesta

3 respuestas
Respuesta de Botijo Antiguo
2
Respuesta de Julio Ab
2
Respuesta
1
