¿Qué tipo de termostato wifi soporta mi caldera y como se conecta?
Estuve leyendo un poco sobre los nuevos termostatos electrónicos que permiten ser manejados por wifi con el celular para comandar el encendido y apagado de la caldera.
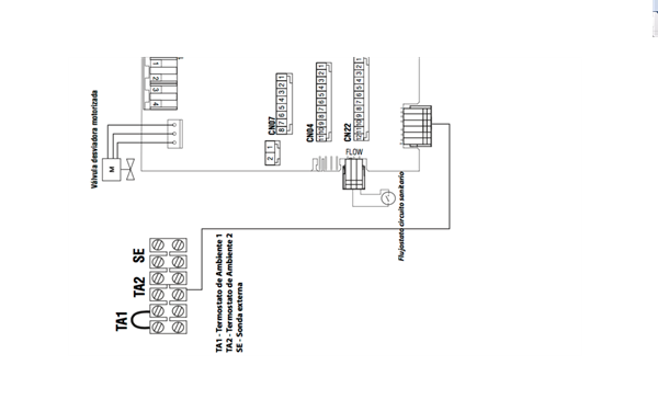
Tengo una caldera ARISTON CLAS 24/28 y en el manual me aparece la siguiente imagen del conexionado.

Según leí, hay que cortar el puente TA1 y conectar el termostato pero no tengo claro donde.
Quería consultar con ustedes que tienen más experiencia.
Les dejo el link del termostato que quiero comprar que seguramente les sea de utilidad.
https://www.amazon.com/Lux-Products-GEO-BL-Wi-Fi-Thermostat/dp/B010PTKWOE/ref=sr_1_92?ie=UTF8&qid=1468713646&sr=8-92&keywords=wifi+thermostat
1 Respuesta
Respuesta de Istal Gas Madrid s.l