Cable libre del captador tapón deposito

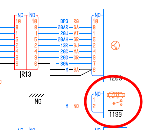
Gracias a las instrucciones he localizado y desmontado lo que creo es el captador de apertura del tapón del deposito de la kangoo. Mi pregunta es: hay dos cables empalmados a la pieza como se ve en la imagen, y un tercer cable suelto,¿el cable suelto cual es su función, hace quizá de antena emisora, otiene que ir conectado en alguna parte.
1 respuesta
Respuesta de Ramon Verdial
1

