Actividad pública reciente
Ha valorado "Excelente" la respuesta
Cable libre del captador tapón deposito
Ha valorado "Excelente" la respuesta
Problema cierre centralizado Renault Kangoo
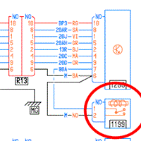
El problema no está en la UCH, sino en el captador del depósito de gasoil. Ese captador falla y la UCH entiende que está abierto el tapón, y evita que se abra esa puerta para no atropellar el surtidor. Tienes dos opciones: Anularlo, o cambiarlo. Haz...
Ha valorado "Excelente" la respuesta
Captador del deposito de la Renault kangoo.
Ha empezado a seguir el tema Automóviles y Vehículos
