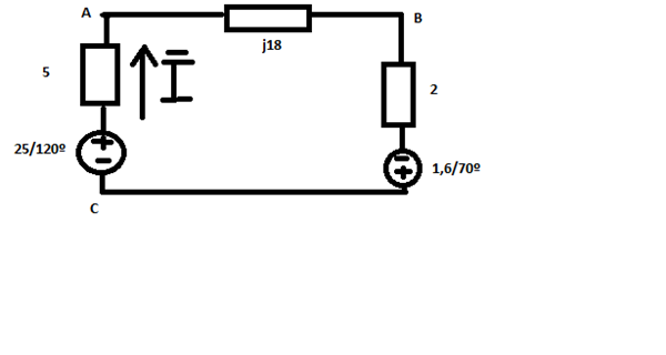
Diferencia de potencial entre 2 puntos
Si quiero calcular la diferencia de potencial entre 2 puntos, si no conozco el sentido de la corriente, supongo un sentido y digo que el potencial de mayor valor es el punto de partida y la polaridad de las resistencias positiva por donde entra en la resistencia y negativa por donde sale la resistencia, caída de potencial. Si entro en una fuente por el negativo es una subida de tensión.
1. ¿Por qué podemos suponer que el potencial de mayor valor es el de partida?
Por ejemplo, si tenemos una resistencia y conocemos el sentido de la corriente y esta entra por el terminal negativo, ¿seria una subida de tensión?
Si conozco el sentido de la corriente y no la polaridad de resistencias, sabemos que el potencial de mayor valor es por donde entra a la resistencia. Entonces, si entra por el terminal positivo de la resistencia es una caída de tensión y por lo tanto de signo positivo. Si entra por el terminal positivo de la fuente es una caída de tensión, por tanto positivo.
2. ¿Por qué una resistencia puede producir una subida de potencial si entramos por el terminal negativo?
Cuando aplicamos la segunda ley de kirchoff, suponemos un sentido de corriente, aplicamos una polaridad a las resistencias, en consecuencia con el sentido asumido de la corriente y las bobinas y condensadores igual.
3. ¿Están bien todos los razonamientos que he hecho?


