Preguntas esperando respuesta
Actividad pública reciente
Ha preguntado en el tema en
Matemáticas
y en 4 temas más
A un tanque cilíndrico recto se le superpone una tapa cónica.

Sin respuestas
Ha valorado "Excelente" la respuesta
Demostrar que Q+ es forma un grupo abeliano bajo la operación * definida por:
Ha valorado "Buena" la respuesta
Utilizando derivadas cómo calcular si se inscribe un cilindro circular recto en una esfera de radio ? = 6 pulgadas
Ha valorado "Buena" la respuesta
Cómo Calcular los ml necesarios que se debe tomar de A y B para preparar la solución deseada.
Ha valorado "Excelente" la respuesta
¿Cómo modificar parámetros de modulador ASK?
Ha valorado "Excelente" la respuesta
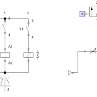
Que es un paro del proceso y reset por impulso momentáneo
Ha preguntado en el tema en
Calefacción y Aire acondicionado
y en 4 temas más
Qué sensor puedo ocupar para hacer sistema de calefacción en fluidsim

Sin respuestas
Ha valorado "Excelente" la respuesta