Qué sensor puedo ocupar para hacer sistema de calefacción en fluidsim
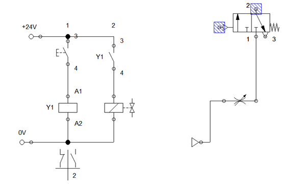
Intento hacer un sistema de calefacción en fluidsim para hacer un proceso "continuo" quiero que según la temperatura ingresada, la válvula de aire reaccione como un actuador.
¿Qué tipo de sensor me puede dar esta función en fluidsim? Tengo esta idea, pero en lugar del interruptor deseo poner el sensor.
