Falla en la bobina de un contactor
Hace unos días en unos tableros después de casi un mes de estar funcionando los fusibles volaron, se reviso las bobinas de los contactores averiados el valor de la resistencia era de 1.2 ohmios (se encuentran en corto) por este motivo el fusible salto.
Los contactores sonde categoría AC-3 y se usan para activar luminarias (fluorescente led).
1. ¿A qué se debe esta falla en la bobina del contactor?
2. ¿Cómo se prueba la bobina de un contactor con multímetro?
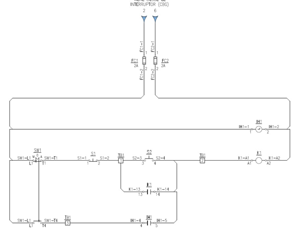
Adjunto esquema eléctrico

Favor espero me puedan apoyar con esta duda.
1 respuesta
Respuesta de vicente14
1

Y además saber si las bobinas son para c.c. o c.a. porque no indica la tensión del comando ... - albert buscapolos Ing°