Bomba trifásica de la piscina no arranca
Tengo algún problema en el cuadro eléctrico que gobierna la bomba trifásica para filtrar el agua de la piscina.
Si pulso el interruptor de puesta en marcha, no arranca. No hace nada. Hay un contactor que gobierna a la bomba, que si pulso su botón que tiene en el centro, arranca la bomba, ... Pero no puedo estar todo el día con el dedo puesto en el interruptor para que ande !
Bromas aparte, ¿qué puede estar pasando?
He cambiado el contactor por otro nuevo, por si estuviese estropeado el anterior y nada, sigue igual.
Debajo del contactor hay un relé de protección térmica de motores que también lo cambié por uno nuevo y tampoco arranca.
¿Alguna idea de qué puede estar pasando?
Podría ser el programador horario que se haya estropeado o el interruptor manual de marcha/paro.
Por cierto, ¿no tienes un interruptor de puesta en funcionamiento manual/automatico?
Sube unas fotos del cuadro de la piscina y de su cableado para que podamos indicarte mejor y así también comprobar el estado de la instalación.
Hola. Gracias por tu respuesta.
Sí hay un interruptor para poner la bomba en marcha directamente, de forma manual o de forma automática (con el reloj programador).
He puesto los palitos del reloj progrmador horario todos en "1" a ver si así arranca, pero nada.
Pongo aquí otra vez las fotos que he hecho:



- Compartir respuesta
1 respuesta más de otro experto
X lo que describes, no te llega la maniobra al contactor, te has gastado un dinero innecesario
Necesitamos un par de fotos, pero empieza x medir tensión en los cables de la maniobra
Es muy posible que si la maniobra de una boya te meta la potencia a la bomba, este estropeada dicha boya
Imagino que usará un pequeño transformador para la maniobra, pero necesito fotos
Hola, gracias por tu respuesta.
Subo aquí varias fotos a ver si aclaramos algo.

Pongo también de la puerta, en donde están los interruptores para encender los focos y encender la bomba manualmente o de forma automática (con el reloj temporizador):


Empieza por medir tensión en el trafo, en la entrada 220 v, la salida tiene que dar 24v, los cables de la maniobra creo que son los rojos ( 24v), síguenos y vete midiendo tensión
En algún lugar no tendrás los 24v, prueba a medir tensión en el pulsador marcha y sigue el camino de los cables, si mides entre los 2 contactos de la pastilla del pulsador tiene que darte 24v, sigue el camino de los cables hasta que encuentres donde te fslten los 24v
Hola, ok gracias de nuevo.
Voy a medir lo que dices. No sé mucho de electricidad, pero a ver si me apaño.
Para medir la tensión en los bornes del transformador, tengo un buscapolos que detecta tensión y se encienden unas luces que marcan 6, 12, 24, 50, 120, 220 y 380 V.
He puesto las puntas del mismo en lo que creo que es la salida del transformador y no me sale nada, está a cero. Por otrolado, no encuentro la entrada de 220 V. Voy a hacer una foto y la pongo para que me puedas guiar. A ver si es el transfo que está muerto !
Pongo unas fotos del transformador, a ver si lo estoy haciendo bien:
En la primera y 2a foto, debajo del transfo hay 4 patitas. Estoy midiendo en las de atrás que van a salir a unos cables rojos que luego van a la regleta de conexiones que hay al lado del transfo.
El buscapolos no marca nada.


pero es que en esa regleta de conexiones de la izquda. del transfo. y también en la pequeña gris que hay a la dcha. del transfo. no marca nada el buscapolos. no hay tensión.
Pongo otras dos fotos para señalar esto.


Espera, me he equivocado. A la dcha. del transfo., en esas 3 conexiones grises y la grande blanca que se ven, sí hay corriente. Marca 380V entre ellas. pongo foto:

Se encienden las luces hasta 380V, aunque no se distingue bien en la foto
L9s cables rojos son la salida de trafo, creo, porque observo que son los cables que van a la pulseteria ( pulsadores), hay deberías tener 24 v,
Mide en el pulsador de marcha a ver si tienes tensión
Es muy probable que se haya estropeado el trafo
En el pulsador de puesta en marcha manual o automático no hay ninguna tensión.
Tenía entendido que el transformador de 24V era sólo para las sondas que hay en la arqueta que si se quedase sin agua, la bomba no arranca. Las bobinas de los contactores que hay (el de la bomba de la piscina y otros dos para los focos) van a 220 V.
Por otro lado, en las sondas que van en la arqueta de la piscina he visto que hay algún cable pelado, pongo foto. Y me ha dado un calambrazo al sacarlas del agua de la arqueta. se supone que el transformador es el que da corriente a estas sondas, pero si está estropeado, ¿de donde sacan la corriente las sondas? ¿están a 220?



Normalmente por seguridad, las maniobras de los cuadros se realizan a muy baja tensión ( 12v, 24v,..)
Si en el pulsador de arranque ya no tienes corriente, sigue hacia atrás, observando que los cables son rojos, imagino que serán los que van al trafo
Los 24 v los usas para los pulsadores, para los contactos de maniobra de térmico, también observo que alimentan los controles de la sonda y van al contactor, esto lo hago siguiendo el recorrido de dichos cables rojos
Pero como te he comentado, empieza de pulsador de arranque hacia atrás, pero esta claro que ese trafo huele a chamusquina
ok, voy a hacer lo que me dices. hay muchísimos cables rojos aquí, quizás no se ve en las fotos, pero para seguirlos he tenido que quitar unas 30 o 40 bridas pequeñas que los sujetaban y ordenaban.
El pulsador de arranque, ¿te refieres al interruptor que está fuera de la puerta para arrancar manualmente la bomba verdad? Ahí no hay corriente. En los 2 pulsadores de al lado, que son para encender los 2 focos que hay enla piscina, si hay 220V en cada uno de ellos. Pero, ¿no deberían haber 24?
Por otro lado, el cable en algunos terminales de las sondas que miden el nivel del agua en la arqueta está roto, como puedes ver en las últimas fotos... ¿puede ser ese el problema?
Necesito una foto nítida del control de la sonda para ver el esquema eléctrico del frontal
No t lo tomes a mal, pero ese cuadro está hecho una chapuza, deberían hacerle montado canaletas pata los cables. Identificarlo y dejar un esquema, la única forma es ir hacia atrás del conmutador Manual/Automático y buscar donde falta la alimentación
Si a ti te cuesta, imagínate a nosotros su solo podemos ver una foto
Sí tienes razón. Es una chapuza el cuadro. Sobre todo el no haber un esquema claro y que los cables estén identificados y mejor ordenados.
Aquí está la foto del control de la sonda:

Mide en el terminal 2, debería darte 220 v, dps mides entre el terminal 5 q es el contacto normalmente cerrado ( el problema es q no se como te cablearon, si a contacto cerrado o abierto la sonda ), saca la boya de la arqueta y sin q nada la obstruya mides que contacto te envía señal el 5 o 6, dsp metes la boya en un caldero con agua y realizas la misma medición, de esta forma sabemos q contacto usa para arrancar la bomba cuando hay agua, anota cuando recibes tensión en cada caso, me imagino que mientras detecta agua usará el contacto cerrado
Pero primero busca de donde viene la alimentación del manual/automático, es lo más importante, porque sin esa alimentación no te arrancará
Y ya q estas puedes hacerte un esquema eléctrico de cómo está montado, así en el futuro te será más fácil
Hola Javi, ¿qué tal todo?
Me estaba volviendo loco con el lío de cables que hay en el cuadro, y ayer puse un palo con un peso pulsando el contactor para arrancar la bomba y cepillarla un poco, mientras busco una solucion, mi hermana no tenía ninguna gana de estar ahí con el dedo apretando 30 min :)
He descubierto que el transformador de 24V sólo sirve para arrancar una electroválvula (las típicas de riego) que mediante otro relé con sondas en la arqueta, abre una llave de agua para rellenarla si se detecta que está vacía. El transfo está a cero porque sólo se activa si el relé ese da la orden para abrir la electroválvula. La electroválvula está anulada, por lo que no hace nada este sistema ni el transfo.; por eso la lectura del transfo está a cero siempre. Una cosa menos.
Las sondas que miden el nivel en la arqueta estan muy mal. como ves en las fotos, el cable está roto y se está desintegrando. Además, si no hay agua en la arqueta, NO SE PARA LA BOMBA, sólo se enciende una luz en el cuadro que avisa de que falta agua en la arqueta, pero no la para. Estoy pensando en anular totalmente ese sistema.
La idea mía es pasar de este circuito y con lo que hay, montar un arranque directo de la bomba con el contactor, relé térmico de protección y el interruptor de paro/marcha. Si no es complicado le pondría también el reloj programador, ... pero me conformo con poder arrancar la bomba. Tampoco entiendo mucho de estas cosas.
¿Cómo lo ves? ¿será fácil, no? No es mejor eso que estar adivinando cada cosa en este cuadro "caótico"?
Gracias y un saludo.
No sería nada difícil, si quieres tener calzado el contactor, métele un destornillador en el agujero, q haga presión contra la pestaña y la esquina de la pared
Elim8nando el trafo, pues tnms q buscar dsd donde viene la alimentacion al manusl/automático o siguiendo el cable de la bobina d contactor
Q raro q no paren la bomba si no hay agua, xq si no te das cuenta y la paras, se acabará quemando
¿No creo que te hayan montado el reloj minutero para la bomba? Imagino que será para la electroválvula
De esta manera ya has eliminado varias cosas, un control dcsonda, un trafo, ... por eliminación vas conociendo l9 que lleva la bomba
Hola. Creo que las sondas dentro de la arqueta no paran la bomba porque el cable de las sondas está en malas condiciones. A lo mejor el problema está ahí.
El reloj minutero es para la bomba, para hacer que funcione de forma automática y no tener que estar activándola y desactivándola.
sí, poco a poco voy descubriendo el puzzle. Mañana si Dios quiere me voy a poner a arreglarlo poniendo sólo el arranque o si puedo y es sencillo, el arranque + reloj.
Te iré preguntando por aquí, según me surgan los problemas.
gracias por la idea de calzar el contactor!
Prueba a forzar el reloj, a ver si funciona, las sondas tienen q darte tensión entre los contactos 8-5 y 8-6, con estas mediciones ya sabes si funciona la sonda
Sácala y q no tenga nada delante q la obstruye, realiza medición entre esas normas, el 8 es el común y tiene q darte 220v en alguno d los terminales 5 o 6, dsp metela en un cubo con agua y realiza medición, tendrá q darte 220v en rl otro contacto
Con un poco de paciencia se sacan las cosas, pero busca el cable q entra en la bobina del contactor y vete midiendo hacia atrás, es la forma más fácil
¿Sabes donde puedo conseguir un diagrama eléctrico de lo que sería mi instalación?
O similar, vamos. con lo de las sondas y el reloj temporizador. La verdad es que sería de gran ayuda.
¿Usarías el reloj? Te haré un esquema como yo lo montaría
Cada uno puede montarlo de forma diferente. Existen múltiples formas
X ejemplo, yo en manual anularía todo y haría que la bomba trabajase sin ningún tipo de control excepto el térmico, porque se te estropea el reloj o la sonda y la bomba no arrancaría, tienes que definir o tener claro como quieres que funcione en manual o en automático
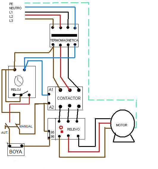
Del térmico, ¿te refieres al protector magnetotérmico que va encajado debajo de contactor, el que indico con el nº 4 en la primera foto que te envíe (relé de protección térmica de la bomba trifásica)?
Si es asi, de ahí salen 3 cables que se van directamente a la bomba.
La forma que planteas de conectarla me parece la más adecuada y correcta. Que al ponerlo en manual se anule todo. creo que es lo ideal. Y en automático que funcione el reloj.
Pero me entra la duda de si quitar lo de las sondas completamente o volver a ponerlo y que funcione tanto en manual como en automático. El cable de las sondas que va a la arqueta desde el cuarto de máquinas, que está a unos 5 m de distancia, está muy deteriorado. Habría que desenterrarlo abriendo una zanja para sustituirlo por uno nuevo, por lo que es un lío... no sé si tirando de cable a lo mejor puedo sacarlo. por otro lado algunas sondas hay que cambiarlas. Creo que lo que está pasando es que las sondas estas están parando a la bomba.
¿Crees que si sustituyo las sondas que están mal y el cable de las mismas a lo mejor se arregla el problema?
Si, me refería al 4, es un térmico
Para saber si las sondas están bien, tienes que realizar las medidas que te dije
Saca la sonda al exterior, sin nada que la obstruya, mide tensión entre neutro y el terminal 6 y dsp en el terminal 5 del control de la bomba, anota que terminal te da tensión, imagino que sera el 5
Después introduce la sonda en un cubo con agua y realizas la misma operación, imagino que te dará tensión en el terminal 5
De esta forma sabemos que la sonda trabaja a contacto cerrado cuando hay agua y a contacto abierto cuando no hay agua
Este es el primer paso para montar el esquema

Con el conmutador manual se puentea todo ( reloj, sonda, .. )
En automático, llevamos la señal hasta el reloj, del reloj la pasamos por la sonda y después la llevamos al contacto abierto del térmico, es bastante sencillo
Muchas gracias Javi !
Creo que mi circuito es igual al tuyo, pero que la boya también actúa en el modo "manual" de modo que si no hay agua en la arqueta para la bomba.
No he podido medir lo que me dices en las sondas. Al sacarlas del agua intenté sanear sus cables y al quitarlos hay unos tornillitos que los cogen a la punta de la sonda, que practicamente se han desintegrado. Las he desmontado, pero está lloviendo y no puedo hacer casi nada hoy.
Ok, yo en manual anularía las sondas. Porque si se estropea la sonda, no tienes forma de sacar agua, el manual es para que tu estés pendiente
Una forma sencilla de conocer si la sonda está mal, era que te diese una señal a una bombilla roja por falta de agua, de esta forma ya sabes que no hay agua o que la sonda esta estropeada, solo sería cablear un cable dsd el terminal que no usa el control de la sonda ( 5 o 6 )
- Compartir respuesta
Señores... este tipo JSPB se pasea por todos los foros denigrando, acusando e insultando gente sin ningún motivo aparente... les recomiendo tengan sumo cuidado porque...también participa en el foro yoreparo ... y se la pasa yendo y vieniendo investigando y siguiendo a la gente con el único fin de atosigar, perseguir, perturbar, y ofender a cualquiera que se le ccruze en el camino.. Tengan sumo cuidado con estos parásitos que infestan y llevan mala leche a los ámbitos de buena convivencia - Alberto Montalban