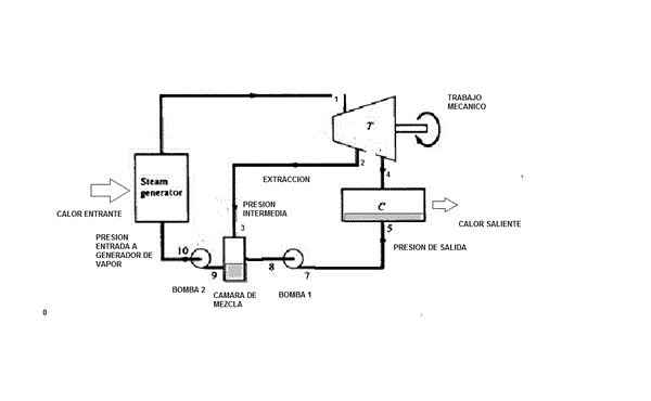
Termodinámica-diagramas de bloques del siguiente ejercicio:
Una caldera produce una corriente de vapor de agua a una
determinada presión y temperatura, esta corriente ingresa a una
turbina y se expande isoentrópicamente. Una fracción de ese
vapor se extrae a una presión dada y se envía a una cámara de
mezcla en la que simultáneamente ingresa una corriente de agua
fría que será descrita más adelante. El vapor restante continúa
expandiéndose en la turbina hasta lograr cierta presión y luego
ingresa a un condensador del que sale convertido en líquido
saturado.
El líquido saturado ingresa a una bomba donde se comprime de
forma isentrópica hasta una presión determinada. A esa presión
ingresa a la cámara de mezcla mencionada anteriormente, allí se
mezcla con la corriente de vapor que ingresa proveniente de la
caldera.
La mezcla que sale de la cámara se encuentra como líquido
saturado, e ingresa a una segunda bomba en la que aumenta su
presión hasta un valor determinado, esta corriente finalmente
sale de la bomba e ingresa a la caldera.
