Alguien que me explique como resolver las mallas del siguiente circuito eléctrico para calcular el voltaje.

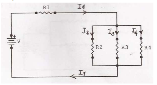
En el circuito de la figura, hallae la tensión V, sabiendo que la intensidad de corriente es que circula por R3 es de 14 A.

Datos

R1= 5 ohm; R2= 50 ohm; R3= 5 ohm; R4: 35 ohm 

e

¿

¿Podría calcular la resistencia equivalente en tre R2 y R3?

Respuesta
2

Hay varias formas:

La más simple, seria calcular la resistencia equivalente del paralelo de R2, R3 y R4, calcular de ese modo el valor de I1 y después sacar la tensión entre los dos nudos, y calcular I2, I3 e I4.

Ahora... si el profesor te lo pidió CALCULAR POR MALLAS, bueno, sera más complejo, pero es lo que pidió, y si se lo calculas de otro modo, tal vez no te califique bien.

En ese caso, habría que hacer la ecuación de tres mallas: Una que incluye la batería V con R1 y R2, otra con la malla que formaría el rectangulito de R2 y R3, y una tercera que seria R3 con R4.

De ahí, te quedaría un sistema de tres ecuaciones con tres incógnitas... que tendrías que resolverlo.

Una incógnita seria directamente I1, la otra incógnita seria I2 y la tercer incógnita I4. I3 sale como resultado de la suma de corrientes nula en cualquiera de los dos nudos.

1 respuesta más de otro experto

Respuesta
1

Creo que no esta claro porque no entendemos bien la relación del problema con tu pregunta .."¿Podría calcular la resistencia equivalente entre R2 y R3?"

Esto ultimo es muy simple porque seria R2//R3 = R2 R3/R2+R3 = 50X5 / 55 = 4.545 ohms.

Por otro lado decís resolución por mallas para hallar V ... pero. La resolución por Mallas se utiliza para hallar las corrientes de ramas... no las tensiones ... para esto ultimo se utilizan las ecuaciones de resolución por nodos...

Y creo que podrías proceder así... que seria más directo...( procedimiento que Boris también te sugirio...)...

La tres corrientes de rama son inmediatas porque: se trata de un paralelo y la tensión aplicada al mismo la despejas conociendo I3 = 14 Amp.

V( R3) = V(R2) = V(R4) = 14 x R3 = 14 x 5 = 70 volts.

i2= 70/50 = 1.4 A .................I4= 70/35 = 2 A.

Ahora:

I1 = I2+I3+I4 = V / 5 + ( 1/50 + 1/5 + 1/35) ^-1 = 1.4 + 14 + 2 = 17.4 A

 V / 5 + ( 1/50 + 1/5 + 1/35) ^-1 = 17.4...haces las cuentas y llegarias a que V = 157 Volts.

Añade tu respuesta

Haz clic para o

Más respuestas relacionadas