Cronometro de 0 a 9 segundos con una décima de segundo
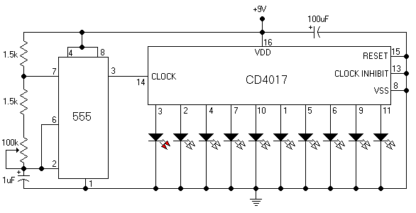
El oscilador del sistema debe alimentar al contador de décimas de segundo y cada vez que este supere el número 9 debe incrementarse en un segundo el contador de segundos ¿Qué contador me recomiendan usar?
Respuesta de Boris Berkov
1
1 respuesta más de otro experto
Respuesta de Botijo Antiguo
1



Vendría bárbaro para un anillo de leds - wil fri