Controlador horno laboratorios de Física
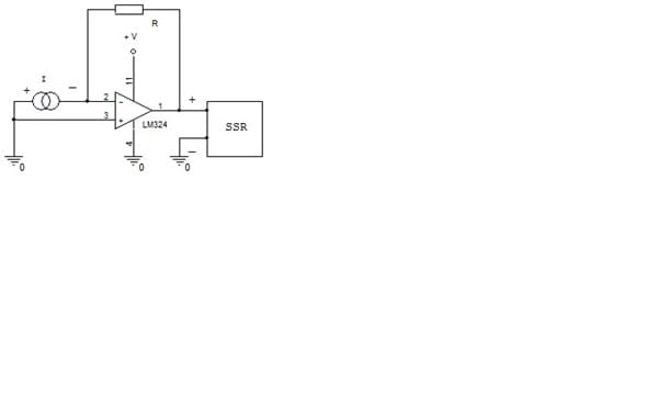
Yo tengo un controlador donde la salida me pide que sea de 4-20mA y el SSR va de 3-32V. ¿Cómo debería hacer para pasarlos? Entiendo que tengo poner una redistencia para pasar de I a V pero no se ni como ni de que valor, y después tendré que hacer un amplificador no inversor para que me de la ganancia que quiera, ¿es así?
1 respuesta
Respuesta de Botijo Antiguo
1
