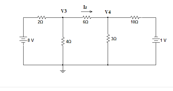
2) Encuentre las ecuaciones en su mínima expresión para calcular los voltajes V3 y V4 mediante el análisis de nodos.

  • Encuentre las ecuaciones en su mínima expresión para calcular los voltajes V3 y V4 mediante el análisis de nodos. Además, deje planteada la ecuación para calcular Iz.

1 Respuesta

Respuesta
1

No se en que nivel estas o como te lo habrán enseñado.

Yo lo planteo habitualmente por matrices. En este caso matriz nodos estaria formada por dos filas. La incognitas serian los potenciales de cada nodo... referidos a tierra = 0 volts.

Por un lado siempre tienes que transformar las fuentes de tensión en fuentes de corriente.

La fuente de la derecha = +8 volts + 2 ohms equivale a 8/2= 4 A en // con 2 ohms.

La fuente de la izquierda = - 1 volts + 10 ohms equivale a 1/10 = 0.1 A en // con 10 ohms.

Luego en sistema de ecuaciones de nodos quedaría así:

Nodo... V3 ... suma de conductancias concurrentes al nodo x V3 - suma de conductancias que vinculan nodo V3 con nodo V4

(1/2+1/4+1/6) V3 - 1/6  V4 = 4 ..............corriente entrante al nodo V3.   (1)

Nodo V4 ................procediendo igualmente al  otro nodo ............(1/3+1/6+1/10) V4 - 1/6 V3 (2)

Ordenas el sistema y llegas a :

Nodo V3 ... 0.916 V3 - 0.166 V4 = 4... 4 A entrantes

Nodo V4 ...................................................-0.166 V3 + 0.60 V4= -0.10.....0.10 A salientes.

Si resolves este ultimo sistema de 2x2 llegas a que:

V3= +4.56 Volts ................................V4= +1.10 Volts.....................Iz =(4.56 - 1.10) / 6 = 0.576 A.

Añade tu respuesta

Haz clic para o

Más respuestas relacionadas