Como instalar Portero electrónico de 2 hilos
He comprado un portero electrónico AVIDSEN -102106 que dice que es de 2 hilos, pero cuando lo he abierto me he encontrado la sorpresa de que lleva 2 hilos solo para el audio y si se quiere instalar el abridor de la puerta hay que pasar otros 2 hilos desde el teléfono al abridor.
El problema que tengo es que tengo que usar los 2 cables del timbre porque no consigo pasar la guçia por el corrugado ni sacar el cable del timbre que tiene un empalme en su recorrido ¿los cables salen de la caja de registro con un color y llegan al timbre con otro?.
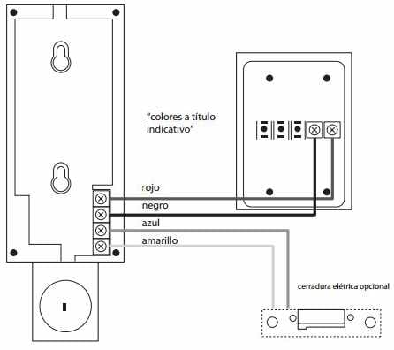
¿Puedo usar el mismo cable para el audio y para el abrepuerta? La idea es puentear la conexión del audio con la de apertura de puerta y en el intercomunicador exterior sacar la salida de apertura de puerta de la del audio. No se si me explico. Este es el esquema que pone el manual del aparato:

Cualquier ayuda será muy bienvenida.

Hola, vivo en un unifamiliar y solo tengo un timbre conectado a una manguera de 2,5mm que no se donde va, si al cuadro o a donde, y quiero poner un portero automático. Como puedo hacerlo? gracias - Fernando Jimenez