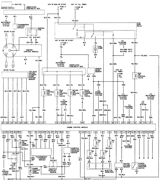
Como desactivar alarma Accord 93 - encendido
Hace poco corte un cable gordo que venían dentro 24 cables del capo al modulo de la alarma junto las correas del motor Honda 93 Accord F20z1
Conecte todos los cables y funciona sin problema, pero ahora no le da la gana arrancar
Me gustaría saber que cable es el que activa el encendido porque la bomba hace ruido y olía a gasolina si insistía mucho al arrancar..
Tengo localizado un positivo que siempre da corriente, pero hay demasiados cables de todos los colores y tamaños. AYUDA!
2 respuestas
Respuesta de Segytel SL
Respuesta
