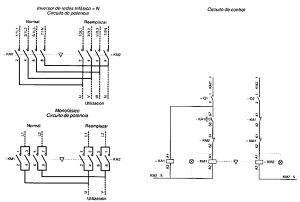
Como conectar un contartor para rec eléctrica y generador automático
Necesito esquema para conectar contactor
1 entrada eléctrica
1 entrada generador automático
Y una salida
2 respuestas
Respuesta de David Tupak
2
Respuesta de Alfonso Allende Junquera
1

