Grifo termostático que gotea en posición de cerrado
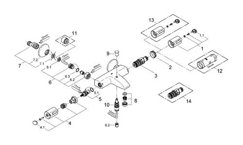
Tengo un grifo termostático en la ducha modelo grohe thermo 1000 que ha funcionado correctamente hasta ahora, es de los de dos posiciones en el mando de apertura ducha de arriba o ducha de teléfono. Después de un tiempo no consigo que en posición de cerrado no deje de gotear agua, es decir sólo se para cuando cierro la llave de paso. Alguien me pueden dar idea de qué puede ser.
1 respuesta
Respuesta de javichin5555
1


