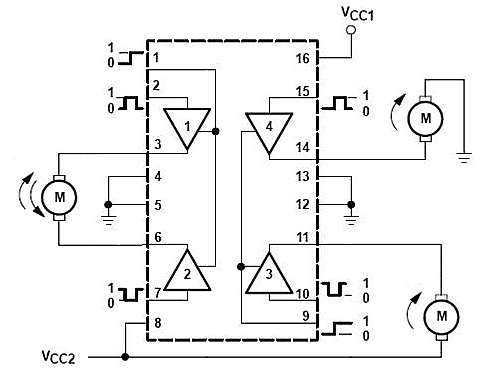
Ayuda con integrado SN754410 (Puente H )
La verdad es que estudie electrónica
y programación en la escuela pero fueron pinceladas de todo un poco y al
comprar este chip y seguir el diagrama no logro que funcione
Descripción: El
SN754410 Quad H-Bridge es capaz de manejar motores de alto voltaje (4.5V a 36V
@1A continuo) utilizando lógica TTL de 5V
aquí está el datasheet.
http://www.olimex.cl/pdf/IC/SN754410.pdf
1 respuesta
Respuesta de Botijo Antiguo
1

