Preguntas esperando respuesta
Actividad pública reciente
Ha valorado "Excelente" la respuesta
Ayuda con circuito para una Alarma
Tanto su escrito como los dibujos no se entienden muy bien. Es normal que la salida del Arduino no pueda accionar un relé normal, que necesita alrededor de 1 - 2 W, y 5 x 0,02 = 0,1 W. No entiendo lo que quiere hacer con el regulador 78XX, que no sea...
Ha respondido en
Redes de computadores
Como crear redes inalámbricas
¿Amigo No le entendí la pregunta?
Ha respondido en
Seguridad Informática
y en 1 temas más
Continuidad de negocio, plataforma tecnológica
A gusto, Yo tengo algo parecido al escenario que describes 3 Corta Fuegos (1 del Proveedor de Internet ) y dos de de la empresa, Servidores de Aplicaciones y BD separados, Te falta crear un controlador de Domino eso también agrega seguridad, trata...
Ha valorado "Buena" la respuesta
Duda con Raid 5
Quería confirmarte el cambio en caliente del disco dañado. Para más información adjunto video de Youtube para que sigas el paso a paso: http://www.youtube.com/watch?v=MRgUgHUSVtI
Ha respondido en
Redes de computadores
y en 2 temas más
Apagón de luz afecta a laptops?
En tu caso que existen cortes de Energía sin aviso, Yo usaría la Batería todo el tiempo o Instalaría una UPS con regular de Voltajes porque antes de los cortes la energía Baja o sube su tensión eso es perjudicial para los equipos electrónicos. Por...
Ha empezado a seguir a
Ha valorado "Excelente" la respuesta
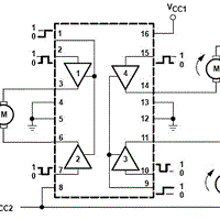
Ayuda con integrado SN754410 (Puente H )
Ha respondido en
Redes de computadores
Problema con router
Disculpa la demora, 1 que marcas y modelos son tu Routers 2 probaste colocar de modo accespoint al segundo router eso debería simplificar el acceso a internet Me cuentas como te fue
Ha preguntado en el tema en
Ciencias e Ingeniería
Programación en Arduino
Amigos, necesito programar en Arduino y con suerte se encender una luz led , lo que necesito es un una ayudita necesito que al detectar luz en un receptor infrarojo se active un pito o sonido por pequeño parlante.
Sin respuestas
Ha empezado a seguir el tema Juegos de ordenador
Ha respondido en
Redes de computadores
Conectar a servidor remoto
Amigo hay varias formas una es instalando un programa como el TeamViwer es gratis y seguro, lo otro seria por medio de Terminal Server pero de esta forma depende de si tu Server tiene una IP publica.
Ha empezado a seguir el tema Redes de computadores
Ha preguntado en el tema en
Microsoft Access
Estimados estoy creando un BD para la bodega No puedo crear un combo box simple
La BD es para la bodega de donde trabajo, al igual quería crear algo simple adaptable para todas las personas obviamente lo quiero publicar en el internet e visto muchas personas pidiendo algo parecido. Y necesito crear un combo Box de una tabla pero...
Sin respuestas
