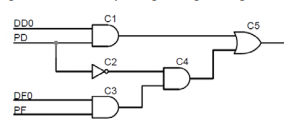
Tengo una duda con este ejercicio de diseño digital
Indicar qué dispositivos del circuito están abiertos y cuáles cerrados (Las señales que empiezan por DE son datos y las que empiezan por P son controles):

cuando:
A: DD0 = 1; PD = 0; DF0 = 0; PF = 1
B: DD0 = 0; PD = 0; DF0 = 1; PF = 1
C: DD0 = 1; PD = 1; DF0 = 0; PF = 1
D: DD0 = 0; PD = 1; DF0 = 0; PF = 1
Para el primer apartado como C1 tiene un señal de control 0 puedo decir que esta cerrada, C2 esta abierta, C3 esta cerrada porque el dato es un cero, C4 esta cerrada y c5 esta cerrada. No se si lo estoy haciendo bien pero alguien podría explicarme como hacerlo.
2 respuestas
Respuesta de Jose Miguel Sirgo Pascual
1
Respuesta de Rober Chispas
1
