Como resolver los siguientes circuitos eléctricos

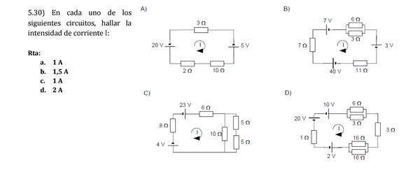
En cada uno de los siguientes circuitos, hallar la intensidad de corriente I:

1 respuesta

Respuesta
1

Son ejercicios semejantes de aplicación de la Ley de mallas. Solo que tienes que combinar los conocimientos de resistencias en serie y//o paralelo.

Te oriento solo con uno de ellos. Dejaría para otros expertos el resto. Igualmente intentalos resolver vos porque son muy fáciles.

c) La malla que te muestran tiene dos fuentes de tensión . Considerando el sentido de la corriente hacia la derecha, la tensión aplicada es de +23-4 = 19 volts.

La resistencia equivalente que ve esa fuente equivalente de 19 volts vale:

8 + 6 + 10//10  = 19 ohms ..................Luego I= V/R equiv = 19 V / 19 Ohms = 1 Amp.

Añade tu respuesta

Haz clic para o

Más respuestas relacionadas