¿Cuántos esquemas de distribución eléctrica existen?
Me encontré con una página de un libro vinculada a las redes eléctricas de distribución
No se si guarda relación solo con el reglamento eléctrico de un país en cuestión o se relaciona a nivel general
Observen ustedes.
Acá, hay 2 esquemas diferentes:
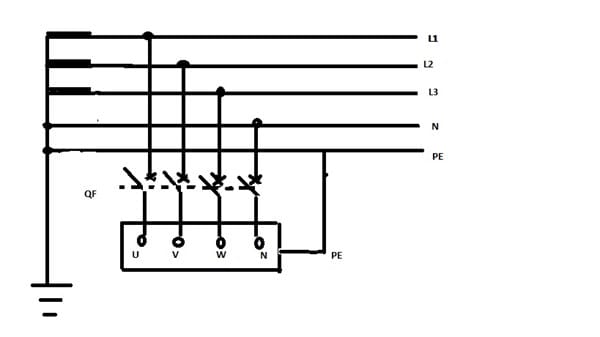
El primero muestra un sistema con el neutro y conductor de tierra separados. La fotocopia aparece cortada en el margen y hay una S. No se si el sistema se llama TN-S o algo por el estilo.
Concretamente el dibujo muestra el conductor de tierra conectado a la tierra del transformador, concretamente el esquema que muestra el neutro y el cable a tierra separados pero conectados ambos a la tierra del secundario del transformador………………………

El esquema muestra que para el neutro y el conductor de protección (PE) SE COLOCA LA MISMA TIERRA que esta en el transformador reductor . YO PENSÉ que los conductores de protección iban a un hilo de tierra separado e independiente de la tierra del neutro bajo el transformador... Pero acá aparecen juntos a la misma tierra
¿Es legal hacer eso? Creo que acá en Uruguay el reglamento no lo permite
Luego me encontré con otro esquema, este segundo esquema muestra un sistema con el neutro y el conductor tierra confundidos, creo que se llama red TNC.
La carcasa del receptor tetrapolar aparece conectada al neutro de la línea que esta aterrado. O sea, no hay línea general de tierra, simplemente se usa como tierra el neutro que esta aterrado en el trafo
¿En qué casos se emplea este sistema?

Luego no se que significa las letras QF al lado del receptor conectado a la línea
. ¿Saben ustedes? ¿Puede ser que sea la llave de corte termomagnética?


Asi es.........Luis..........Tal como te explica Javichin 555 ....Busca en Esquemas de conexion a Tierra en el reglamento de tu Pais. - albert buscapolos Ing°