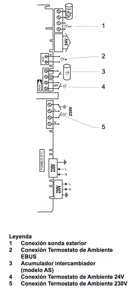
Caldera SD Thema Condens f24 y Termostato Netatno
Me han regalado este termostato y no tengo ni idea de como instalarlo.
Ahora mismo no tengo ningún termostato instalado por lo que he ido a la página del fabricante y he buscado un poco de ayuda.
Pongo una captura de los dos manuales.


¿Alguien me puede ayudar? ¿Dónde conecto cada cable?
2 respuestas
Respuesta de Eric Andres
1
Respuesta de Gaspromin instalaciones S.L www.Calderasgaspromin.com
1
