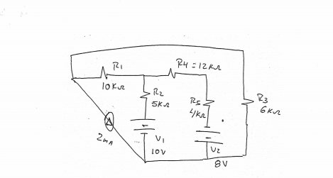
Utilice el método de análisis de malla para obtener todas las corrientes en el siguiente circuito:

Solicito su ayuda para resolver este problema, se le agradece mucho su tiempo y esfuerzo.

1 respuesta

Respuesta
1

Para trabajar con mallas debemos tener todas las fuentes como de tensión. Por ello debes transformar la fuente de corriente de la izquierda en una de tensión equivalente...

Fíjate que la fuente de 0.002 A esta en paralelo con R3 de 6 K.

Luego La fuente de tension equivalente seria E equ.= 0.002A x 6000 = 12 volts + una resistencia de 6K en serie.

Si rearmas todo el circuito veras que llegas a dos mallas + 3 fuentes de tensión. Si circulas en el sentido del reloj para cada corriente de malla... podes establecer las ecuaciones siguiente:

Malla 1 ... Corriente I1

Malla 2 ... Corriente I2

 ( 16000+5000)I1 - 5000 I2 = -10-12=-22 V.

-5000 I1  +  (16000 + 5000) I2 = +8+10 = 18 V

Resolves por cualquier metodo y llegas a que :  I1= -0.89 mA ...........I2=0.644 mA

Luego te queda descomponer las corrientes sobre cada resistencia.

Muchas gracias.

Podría desarrollar todo el procedimiento? Si es que puede claro.

No se que parte no ves... La equivalencia de fuentes de tensión y fuente de corriente pienso que te la habrán explicado.

¿Luego las dos mallas compuestas por 3 fuentes de tensión y 5 resistores la comprendes?

Ahora estableces sentido de las corrientes de cada malla- te lo hice con las dos en sentido horario.

Aquí es que me parece que te has perdido...

Malla 1...hacemos la circulacion de I1 ...........I1( 16000) +( I1-I2) ( 5000) = -10-12= -22 Volts

mALLA 2...circulacion de I2  ...........................I2(16000) + ( I2 - I1) ( 5000) = +18 volts 

Si operas y reordenas en los dos casos llegas a las ecuaciones que yo te había puesto anteriormente... o sea al sistema que luego podes resolver por cualquier método que conozcas. Yo lo hago normalmente por determinantes o Cramer.

Añade tu respuesta

Haz clic para o

Más respuestas relacionadas