¿Que instrumentos se deben usar en una simulación para generar un diagrama de tiempo?
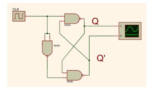
Mi pregunta tal vez este fuera de su campo, pero aun así me a ayudado bastante sus conocimientos, bueno le planteo tengo un ejercicio el cual por medio de una simulación con un programa llamado circuit maker, debo generar un diagrama de tiempo, le muestro el circuito lógico.

Con el simulador no tengo problemas, solo mis dudas se presentan en que componentes debo usar para medir la frecuencia para CLK el cual debe ser a 2Hz y mi otra duda que componente debería usar en el simulador en cuanto a la imagen que conecta Q y Q negada, entiendo que la parte central del circuito me parece es un Flip Flop, la cual ya tengo integrada en el simulador solo resta los componentes para CLK y la imagen que parece ser un oscilador que conecta al flip flop con Q y Q'.
Podría ayudarme por favor no se que tanto conozca del simulador pero lo que sea es bueno, otra cosa como se explicaría el funcionamiento de dicho diagrama de tiempo.
