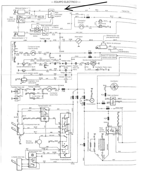
PEUGEOT 306 no andan los electroventiladores
Tengo un peugeot 306 que no le arrancan los electros.
Quisiera saber si alguien me puede guiar en los pasos a seguir en el circuito eléctrico paso a paso hasta llegar al los electroventiladores.
1 respuesta
Respuesta de brunocom
2

