AYUDA Caldera Domusa Climamix y Termostato Siemens RDE100.1
Muy buenas a todos.
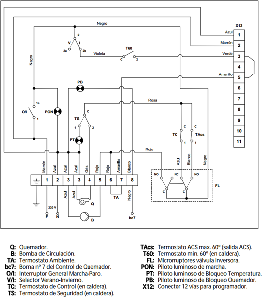
Tengo en casa una caldera Domusa Climamix de gasoil la cual uso únicamente para calefacción.
He instalado un termostato Siemens RDE100.1, conectando los cables a las conexiones 6 y 7 según indica el manual, además de que ahí mismo es donde tenía hecho un puente. En el termostato, los dos hilos los he conectado a las conexiones Q11 y Q14 que según he leído es lo correcto, y no lleva nada más pues estoy usando las pilas.
[IMG]
;
Y así está en la caldera.
[IMG]
;
Como veis está al 6 y 7. EL resto de conectores no los he tocado, está tal cual estaba, y no me fio de que algo esté mal. En principio la caldera quema y calienta bien.
Resulta que haciendo pruebas, cuando el termostato corta, lo que hace es cortar la bomba de agua, pero el quemador sigue funcionando y no lo corta, lo que provoca que se caliente muy rápido la caldera.
Mi pregunta es que razonamiento puede tener eso y como solucionarlo, ya que no es normal.
1 respuesta
Porque esa caldera leva ese sistema, que lo que hace es parar solo la bomba, y el quemador sigue funcionando,, hasta que corta por temperatura, si quieres puedes hacer otra cosa, vueles a poner el puente donde estaba, quitando los cables del termostato, y los dos cables los usas como interruptor, en la entrada de alimentacion a la caldera
Entonces no hay forma de que el termostato funcione de manera normal? No es lógico que corte la bomba no? Cual sería entonces la forma razonable de usar la calefacción así?
Como se hace eso que dices?
Muchas gracias por la rápida respuesta.
No hay mejor forma de hacerlo, que como te he comentado anteriormente, y es como mejor queda,
Sacas los cables, que has puesto en la caldera, y vuelves a colocar el puente, y después, como los cables del termostato, la función que tiene es de interruptor, pues en la entrada en la caja de conexiones de la caldera, un cable de entrada, lo enserias con los hilos del termostato, y cuando el termostato, corte, pues lo corta todo, si tienes dudas, enviame una foto o esquema de la entrada de alimentación a la caldera
Vale así es como si yo la apagara y encendiera manualmente no? Pues si necesito ayuda porque no entiendo demasiado. Es en esa misma ficha donde va el termostato lo que dices? Copia los enlaces de mi pregunta sin los IMG y abre en otra pestaña del navegador que son las fotos.
Por cierto a que temperatura sería recomendable poner la caldera? Me han dicho que unos 70.
No es, como si la encendieras y la apagaras manual, si el termostato es programable, tu programas, las horas, y lo hace todo automático,
Y en cuanto a la temperatura, si puedes ponerla a 70º, y el termostato de ambiente se encargará de apagar en función a la temperatura de ambiente que hayas puesto
Vale vale pero quiero decir que así haría la función que hago yo dando al interruptor no?
A ver si me echas una mano sobre como se hace por favor.
Efectivamente, si conectas el termostato en la entrada, como te he dicho, pues el termostato se encarga de apagar todo, lo mismo que si tu vas y apagas del interruptor de entrada.
Vale perfecto. Entonces donde debo conectar y como? Dime para torpes por favor. Si ves que se complica por aquí mi mail es [email protected]
Gracias
En el esquema de la caldera y veras el nº marrón y el nº 2 azul, sacas solo el azul, y pones una regleta de conexión, en ese cable azul, y un de los del termostato, y el otro del termostato, en el lugar que estaba el azul, puenteando de nuevo el 6 y el 7
A ver si me he enterado...
Saco el 2 azul, lo meto a una regleta, y en la conexión opuesta a donde meta ese azul meto uno del termostato. Y el otro del termostato donde quité el azul.
Correcto?
La xaldera. No empieza a trabajar. Está conectado así pero esté el termostato en marcha o no la caldera no empieza a trabajar.
Entonces si haces tal como te he dicho tiene que funcionar cuando el tetmostato lo pida y si no hazlo otra vex le echas una foto a las conexiones y me las envías para que yo vea
Lo has hecho perfecto, ahora tienes que ver que el termostato haga la maniobra y cierre, ya que la misión de los dos hilos del termostato hacen de interruptor, asegurate, que el termostato le manada a la caldera que funcione
Pues en principio debería mandar porque yo le bajo y subo la temperatura para que salte o no y se oye el sonido como un click, y aparte aparece el símbolo, pero no va.
Si haces un puente entre los dos del termostato, provisional, sin apretar, osea un trozo de cable pelado por las dos puntas, y pones una punta en cada uno de los blancos del termostato, veras que arranca, luego el `problema lo tienes en el termostato
Debe pasar algo más... Ahora mismo está sin nada en el 6 y 7, es decir sin el puente ni nada, y si le doy al interruptor arranca igual.
La caldera. Ahora mismo como digo no hay Nada conectado al 6 y 7 y si pulso el interruptor la caldera arranca.
Ah vale vale! Esto de no saber lo que se hace...
Y si conecto el termostato como en realidad es? Es decir al 6 y 7 y que el corte la bomba, y la caldera pare sola al llegar a la temperatura, es eficiente ese .método? Así al llegar a la temperatura ambiente establecida para la bomba pero sigue quemando hasta llegar a la temperatura y así está caliente el agua de la caldera siempre no? No se si es la mejor forma esa o que...
Pues creo que le pasa slgp a la bomba de agua... Ayer le costó que arrancara, y hoy otra vez no bombea... Le he quitado el tapón y he girado con el destornillador el aspa pero nada parece que no arranca. No se porqué ayer si arrancó
Pero son cosas diferentes, esto lo aclaramos en tu primera pregunta, el termostato tal como te dije,
Y el puente realizado entre el 6 y el 7, y si la bomba no funciona pues es problema de la bomba,
Vale si si. Muchas gracias por toda la ayuda. Pero es que me estoy dando cuenta de lo de la bomba ahora... Ayer arrancó hoy no...
Si has quitado el termostato, y has puenteado entre el 6 y el 7, tienes que esperar que suba la temperatura de la caldera por encima de 50º y observala a ver si gira
Vale ahora si que está funcionando perfecto! Es que con tanto lío ayer había dejado los cables del termostato sueltos. Ahora corta o arranca bomba según manda el termostato. Y ahora la misma pregunta,¿creéis que es eficiente este método? ¿O es más eficiente el que me comentaste?
Si la calefacción la tienes 24 horas funcionando, pues puede valer el conectar el termostato entre el 6 y el 7.
Entonces que necesidad tienes de que el quemador esté arrancando y parando, gastando gasoil, desde las 23 hasta las 18, osea 19 horas.
- Compartir respuesta
