Preguntas esperando respuesta
Actividad pública reciente
                    Ha preguntado en el tema   en 
    Ventanas
            
                y en 1  temas más
            
                
                
            Cambiar juntas de goma ventanas aluminio
                    Ha empezado a seguir el tema Ventanas
                
                
            
                    Ha valorado "Excelente" la respuesta
                
                
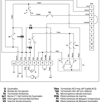
            Dudas caldera gasoil Ferroli Silent R K 35
                
                        Aprieta un poco la válvula del vaso a ver si sale agua.
        
    
        
                    Ha empezado a seguir el tema Calefacción y Aire acondicionado
                
                
            
                    Ha empezado a seguir el tema Calderas
                
                
            
                    Ha preguntado en el tema   en 
    Calefacción y Aire acondicionado
                
                
            Ayuda boquilla Domusa Climamix (D4)
            Buenas a todos Tengo una Domusa Climamix que lleva el quemador D4. Hace poco la puse a punto ya que tenía la chimenea entapada, y ya le cambié la boquilla etc... Bueno el fontanero. Ayer me di cuenta de que echaba algo de humo negro así que le subí...
        
    
        
                Sin respuestas
    
            
        
                    Ha preguntado en el tema   en 
    Calefacción y Aire acondicionado
            
                y en 1  temas más
            
                
                
            Consultas varias caldera gasoil Domusa
            Muy buenas expertos Varias consultas sobre mi caldera Domusa Climamix. En primer lugar la temperatura de la caldera, sólo la uso para calefacción. He leído que unos 70. Cual me recomendáis poner? Por otro lado la potencia de la bomba de agua, tiene...
        
    
        
                Sin respuestas
    
            
        
                    Ha valorado "Buena" la respuesta
                
                
            
 
                