Pregunta en
Física
y en 2 temas más
Cual es el procedimiento para hallar experimentalmente la sensibilidad de un instrumento.
No conseguí nada en internet si pudieran facilitrme tanto el diagram como la explicación estaría excelente
Pregunta en
Física
y en 2 temas más
Como se resuelve este ejercicio
Una Superficie de una aleación metálica rodeada de oxigeno se ilumina con luz de 121nm. A medida que la superficie se oxida, el potencial cambia de 1.3eV a 0.7eV.Determine los cambios que se producen en: a) La energía cinética máxima de los...
Pregunta en
Ingeniería Electrónica
y en 2 temas más
Me piden que calcule mediante el método de voltimetro-amperimetro. El error en este circuito
Pregunta en
Matemáticas
y en 1 temas más
El procedimiento que estoy haciendo para la resolución de este ejercicio es el correcto
Una Superficie de una aleación metálica rodeada de oxigeno se ilumina con luz de 121nm. A medida que la superficie se oxida, el potencial cambia de 1.3eV a 0.7eV.Determine los cambios que se producen en: a) La energía cinética máxima de los...
Sin respuestas
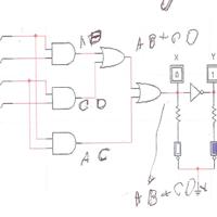
Pregunta en
Ingeniería Electrónica
y en 2 temas más
Este circuito lógico se puede simplificar más
Pregunta en
Ingeniería Eléctrica
y en 4 temas más
¿Que libro habla sobre el método de Volt-Amper?
¿Alguien me podría decir en que libro puedo encontrar más información sobre el método de Volt-Ampere en mediciones eléctricas?. Estuve revisando el Cooper sin embargo no hay información de eso si pudieran recomendarme uno seria excelente
Pregunta en
Ingeniería Eléctrica
y en 2 temas más
Ventajas de las mediciones indirectas (mediciones eléctrica)
¿Cuáles serian algunas de las ventajas de las mediciones indirectas?
Sin respuestas
Pregunta en
Ingeniería Eléctrica
y en 1 temas más
En que consiste el método volt-amperimetro
Quisiera saber en que consiste esto ya que aparece en la guía de mediciones de donde yo estudio
Pregunta en
Ingeniería Electrónica
y en 2 temas más
Alguien podría facilitarme el diagrama circuital para determinar las curvas de calibración de un amperímetro y de un voltímetro
He buscado en Internet y no consigo los diagramas si alguien pudiera facilitarme alguno de estos seria excelente
Pregunta en
Ingeniería Eléctrica
y en 3 temas más
En mediciones eléctricas a que se le llama factor de corrección
Tengo entendido que el factor de corrección= Vreal-Vmedido. Sin embargo necesito una explicación más clara
