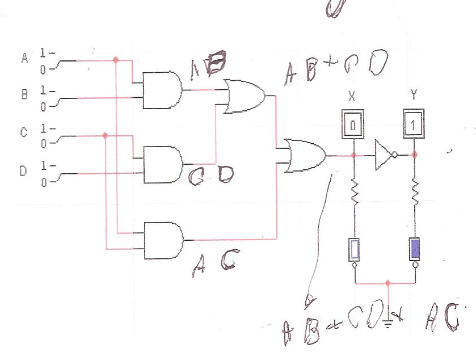
Este circuito lógico se puede simplificar más
Lo simplifique mediante las reglas del álgebra de boole y me quedaron dos OR y 2 AND quisiera saber si se puede simplificar más

1 respuesta
Respuesta de Jose Miguel Sirgo Pascual
1

