Botijo Antiguo

Botijo Antiguo

Soy ingeniero en Electrónica jubilado
 746K puntos  Cataluña, España @botijo7 desde - visto

Respuestas en Electricidad del hogar

¿Cómo se llama el enchufe plano de 2 patas? No es Tipo A, NEMA 1 - USA, es otro que es mas ancho.

Se trata de una serie de mecanismos de una serie denominada Metrópolis, fabricados en España, que permitían corrientes superiores a 10 Amp....

Porque salta el diferencial al cortar y restablecer el suministro de red

No pretendo contradecir a ninguno de los expertos que han expuesto su opinión antes que yo, solo pretendo que antes de vaya a cambiar nada, considere la posibilidad de que su instalación tenga fugas a tierra que no han sido detectadas. En una...

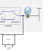
Minutero escalera con bombillas de bajo consumo

Quien sabe lo que puede hacer un aparato es su fabricante. Vea: https://www.orbis.es/pdf/FichaTcn_T-20.pdf En algunos modelos de minuteros completamente electrónicos, si puede haber problemas con el encendido de lámparas de bajo consumo, si son pocas...
Respuesta en y en 2 temas más a

Tengo el multímetro DM830B y se han quemado dos bobinas/resistencias que me es imposible determinar su valor.

Siendo Vd. un habitual contestador, me extraña que documente tan poco su pregunta. Tengo varios de estos voltímetros que son excelentes (aunque yo prefiero los analógicos) y su montaje varía bastante de unos a otros. Unos llevan material SMD y un...
Respuesta en y en 2 temas más a

Duda sobre la elección de un "diferencial eléctrico: bipolar o unipolar"

Todos los diferenciales son bipolares porque su acción consiste en vigilar, que la corriente que entra por un polo, sale por el otro. Si no es así, y la diferencia supera su sensibilidad, el aparato se dispara y abre ambos polos. De los dos...
Respuesta en y en 1 temas más a

No me entra el cargador en el enchufe

Los enchufes actuales son así por seguridad, es para que no se pueda meter nada por los agujeros, pero a veces cuesta mucho el meter las clavijas, hay que golpear. Prueba con una clavija robusta y dale un manotazo seco.
Respuesta en y en 2 temas más a

¿Cuanto es el tiempo máximo que soportan sin apagarse en un corte de red eléctrica CA las fuentes lineales y conmutadas?

Complicado asunto, porque el tiempo que aguantarían funcionando, depende tanto de la fuente de alimentación como de la tolerancia en la tensión y consumo de los aparatos alimentados. En todas las fuentes de alimentación alimentadas por la red...
Respuesta en y en 2 temas más a

Relé estado solido (SSR) ... Problemas después de modificar carga

Los LED extraen la corriente de la red de diferente forma, y esto provoca problemas a los SSR que son electrónicos. Me explico. Las bombillas incandescentes de antes, extraen la corriente de la red de la misma manera en que viene la tensión: Alterna...
Respuesta en y en 4 temas más a

Por qué los desagües huelen más cuando hace viento?.

Efectivamente son sifones que hay, o se forman, en las alcantarillas. Me imagino que Vd vive en una ciudad del interior, es decir no de cara al mar, porque en éstas, cuando hay temporal marítimo, pasa lo mismo, los desagües huelen mal
Respuesta en y en 2 temas más a

TV Led parpadea cuando se utiliza el "chispero" de la cocina que está en el mismo ambiente

Los chisperos de cocina son una potente fuente de interferencias, que pueden des-sincronizar los receptores de Tv, aunque sin hacerles ningún daño. Para minimizar el efecto compruebe que el cuerpo metálico de la hornilla y el horno están debidamente...