Botijo Antiguo

Botijo Antiguo

Soy ingeniero en Electrónica jubilado
 746K puntos  Cataluña, España @botijo7 desde - visto

Respuestas en Electricidad del hogar

Respuesta en y en 1 temas más a

Conectar motor trifásico en monofásica

Por lo que cuenta, el motor estaba originariamente en conexión estrella, y si la tensión a utilizar sigue siendo la misma, no debió cambiarlo a triángulo. Tiene que volver a conectarlo en estrella (juntos w2, u2 y v2), conectar las dos fases a...
Respuesta en y en 3 temas más a

Bombilla corriente alterna 6v se puede usar una de 6v corriente continua

Todos los que responden tienen razón, la bombilla de 6V debería funcionar, porque a las lámparas incandescentes les da mismo si es continua o alterna. Mi respuesta va por otro camino, por, que el generador del velomotor la funda. Me explico: Si la...
Respuesta en y en 2 temas más a

Herramienta para mecanizar cuadro eléctrico

Hay una herramienta muy sencilla para agujeros redondos, como ésta:...

¿Puede afectar el calor del radiador a la TV?

Pues, sí, el calor es enemigo de la Electrónica. En la actualidad la electrónica está basada en las uniones de variedades de Silicio, que no soportan temperaturas, más que algo por encima de los 100ºC. Aunque es evidente que la temperatura ambiente...

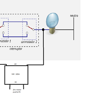
Encender luz parking con la apertura de la puerta

Tal como yo lo entiendo, el usuario desea poder seguir utilizando los dos conmutadores de los que ahora dispone, tanto para encender como para apagar la lámpara, y por lo tanto lo que necesita es un conmutador de cruzamiento entre ambos, para que se...
Respuesta en y en 3 temas más a

Que es una reactancia y para que fines se utiliza

La Real Academia Española (RAE), define como: Reactancia 1. f. Electr. Impedancia ofrecida por un circuito eléctrico en el que existe inducción o capacidad, sin resistencia. Se mide en ohmios. Que es un término muy general. Cite una reactancia...

ICP y contador luz roja intermitente muy rápida

Los contadores electrónicos actuales, actúan como limitadores de la potencia suministrada al valor que tiene contratado. Los ajustes del mismo se efectúan telemáticamente desde la sede de la Compañía. Es posible que el ajuste se haya realizado...
Respuesta en y en 2 temas más a

Normal voltios entre tierra y neutro

No es normal tener una tensión de hasta 15 Volts entre Neutro y Tierra. O la Tierra es mala, o el Neutro está sobrecargado, por una mala distribución de las cargas de las Fases.
Respuesta en y en 1 temas más a

¿Cómo combinar dos circuitos conmutados independientes en uno sólo?

Para tres puntos de encendido-apagado, se utilizan dos conmutadores en los extremos del circuito y uno de cruzamiento entre ambos. El número de elementos de cruzamiento es extensible a todos los puntos que necesite.
Respuesta en y en 1 temas más a

El diferencial sigue cayendo a pesar de haberlo probado "todo"

Lo he comentado en otras preguntas y me cansé de decirlo... y es un caso bastante frecuente. En algún sitio de la instalación tiene Vd. una derivación a tierra que afecta al Neutro. En mi caso fue un clavo en la pared que había perforado el conducto...