Pregunta en
Redes de computadores
y en 4 temas más
Actividad de transmisión de datos - Leer el capítulo sobre transmisión de datos de William Stallings y posteriormente, responder
Pregunta en
Matemáticas
y en 3 temas más
TAREA 2 - Exprese éstas senoides como fasores:
Pregunta en
Matemáticas
y en 2 temas más
Graficar la siguiente ecuación 1 en Geogebra
Sin respuestas
Pregunta en
Matemáticas
y en 3 temas más
Calcular los coeficientes de Fourier para obtener la serie de Fourier de la siguiente función:
Pregunta en
Ingeniería Eléctrica
y en 2 temas más
Una carga puntual de q= –8 nC se localiza en el origen
Pregunta en
Física
y en 2 temas más
Dos cargas puntuales iguales y positivas q1= q2 = 2.0 μC
Dos cargas puntuales iguales y positivas q1 = q2 = 2.0 μC se localizan en las coordenadas (0, 0.3) y (0, –0.3) (las coordenadas están dadas en metros). 4. ¿Cuál es la magnitud de la fuerza eléctrica total que ejercen esas cargas sobre una tercera...
Pregunta en
Ingeniería Electrónica
y en 3 temas más
Sea el circuito de la figura. Si la frecuencia angular es 500 rad/seg e ? Es 2.5 a 40° amperes
Pregunta en
Matemáticas
y en 2 temas más
Realizar las operaciones notación fasorial Y exponencial
A) b)
Pregunta en
Ingeniería Eléctrica
y en 3 temas más
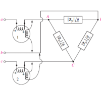
Se utilizan dos wattmetros para dar lectura a la potencia total consumida del circuito delta balanceado de la figura.
Pregunta en
Ingeniería Electrónica
y en 2 temas más
