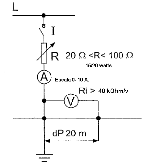
Qué viene hacer el método volt-amperimetrico?
He buscado información en internet pero no encuentro una definición precisa ..
.. ¿Ustedes saben qué es el método volt amperimétrico?
Respuesta de albert buscapolos Ing°
1
1 respuesta más de otro experto
Respuesta de Botijo Antiguo
2
