Resuelva las ecuaciones de lazo

Escriba las ecuaciones de lazo y resuelva para las corrientes de lazo

1 respuesta

Respuesta
2

Te asesoro siempre y cuando valores el ejercicio que te acabo de explicar.

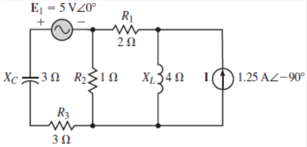
Esto lo debes resolver por mallas.

Son 3 lazos con una fuente de tensión y una fuente de corriente.

Tendras que reducir por Thevenim la fuente de corriente a una de tensión para trabajar con LDK.

De esta manera se te elimina la malla izquierda, y te quedan 2 mallas:( dibuja el esquema).

Fijate que el equivalente Thevenim  seria: j4 ohms en serie con VTh. = IR = - j 1.25 x j 4 = 5 volts.

Ahora Aplicas LDK. Tomas sentido (+) contrario a las agujas del reloj

 Ecuación Malla 1 = (4 - j3) I1  - 1. I2 = 5

Ecuación Malla 2  = - 1.I1  + ( 1+2+ j4) I2 = 5

Si utilizas matrices podes hacer:

Matriz de impedancias =  (4 - j3) ................-1

.......................................-1  ..............( 3 + j4)

Con determinante D coef.  = 24 + 7j - 1 = 23 + 7 j

Matriz de I1 = 5 .....................-1

........................5 ...........( 3 + j 4)

De donde I1=    {5 x (3+j4) +5} / 23 + j7 =  1 + j 0.55 A.

Análogamente : 

I2 = { 5 x ( 4-j3) + 5} / 23 + j7 =  0.8 - j 0.9  A.

Y en la rama central ........= I1 - I2 = 0.2 + 1.45 j   A.

Cualquier aclaración o duda, vuelves a consultar.

Añade tu respuesta

Haz clic para o

Más respuestas relacionadas