Necesito Diagrama motor monofasico 1/8hp 22OV 5OHz
Discúlpeme las molestias verán soy nueva y por un descuido alguien quito casi todo el bobinado de un compresor de 1/8 hp y no tengo los datos de como van las bobinas con su números de vueltas y del calibre del hilo, pero dispongo las fotos del estator agradecería mucho su ayuda.
PD Solo es un compresor de pruebas de placas electrónicas no tiene fallos mecánicos
PD2 si quieron subo más fotos o datos que necesiten
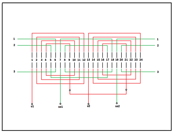
Datos
Ranuras 24
Voltaje 22OV monofasico
Hz 5O
Marca huayi b6Ocbl
hp 1/8
Fotos



1 Respuesta
Respuesta de vicente14
3




Excelentes los aportes de Vicente14 y suerte con el armado del motor a quien pregunta !! - albert buscapolos Ing°