¿Qué función cumple un triac en un circuito?
He visto videos y definiciones de lo que es un triac..., según lo que he leído ...; un triac es un interruptor electrónico (semiconductor) que cuando recibe unos pocos voltios, deja pasar la corriente.
Pero lo que no entiendo ni nadie me puede explicar bien es para que se usa... Que función cumple... Y que aparatos lo utilizan-
Si me lo pueden explicar..
Un triac al igual que cualquier componente electrónico activo puede hacer diversas funciones.
Lo que haga en un circuito dependerá de nuestros conocimientos y de la imaginación del que diseña circuitos.
Entre sus posibles funciones las más comunes son:
1 Limitador de carga para sistema de generación de motocicletas.
2 Dimer por particion de face.
3 Interruptor para carga monofásica. (Relé de estado solido)
4 Relevo automático de lámpara fundida.
5 Regulador de tensión para cargar batería de plomo ácido.
6 Encendido y apagado en rampa de lámparas o motores universales.
¿Qué significa por "partición de fase"?
Tampoco entiendo lo que es un Relevo automático de lámpara fundida... ni limitador de carga para sistema de generación de motocicletas...,
Me estas hablando como si fuera un alumno avanzado de ingeniería electrónica...
Tienes que pensar que estas frente a alguien que solo sabe de instalaciones eléctricas a nivel básico..., tienes que ir desde más abajo... sin animo de importunar, me gustaría que pudieses aclararme algunos de los conceptos que enuncias del 1 al 6:
1) En cuanto a interruptor para carga monofásica. (Relé de estado solido) ¿A qué te refieres?
Y en cuanto al encendido y apagado en rampa de lámparas o motores universales...,
( ¿A qué llamas una rampa de lámparas?
Yo tengo un motor III y lámparas y nada de eso usa un triac para funcionar...
Rampa es cuando la tensión o la intensidad son ascendentes o descendentes de forma progresiva.
Un ejemplo de eso es cuando la lavadora centrifuga el motor va tomando velocidad de froma progresica para que no sea una aceleración brusca o cuando en una luz va incrementando su brillo poco a poco.
En el alumbrado el encendido en rampa se conoce como efecto Alba y Ocaso.
¿Y partición de fase y relevo de lámpara fundida?
¿Limitador de carga para bicicletas?
¿Qué viene a ser eso?
Sobre el dimmer por partición de fase ya te contesto el colega Albert Buscapolos.
Limitador de carga para bicicletas no te dije en ningún lado.
Yo dije "Limitador de carga para motocicletas" Es el regulador que llevan las motocicletas para controlar el voltaje máximo de la batería que se alimenta del alternador de imán permanente (Sistema de generación).
Relevo de lámpara fundida es cuando tienes una bombilla incandescente que señaliza un peligro y si se funde se enciende automáticamente otra bombilla tomando el relevo.
O sea que la persona que invento´ese componente electrónico estaba buscando algo que no cumpliera una función especifica, sino que pudiera hacer varias cosas:
En la lámpara, se incorpora un triac en el dimmer para regular el paso de corriente, lo mismo en los arranque de motores, se incorporo un triac en un variador de frecuencia para moderar el arranque del motor...
Para reemplazar una lámpara fundida, se coloca en el circuito un triac ... para dar paso a otra lámpara...(no se´en que parte del circuito de la lámpara se coloca)
Y cuando decís : "Interruptor para carga monofásica. (Relé de estado solido)"
¿Te estas refiriendo al dimmer también?
El variador de frecuencia no usa ningún triac usa un circuito punte H de transistores IGBT contolados por osciladores.
El interruptor de estado solido o relé de estado solido nada tiene que ver con el dimmer.
Un dimmer es un circuito de control de potencia o bien por partición de fase o bien por método PMW.
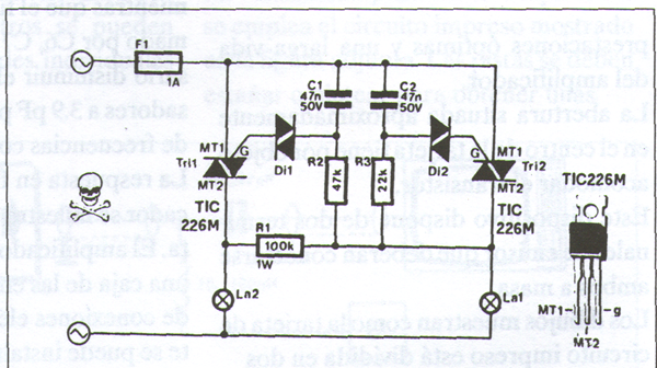
El relevo de lámparas fundidas se hace con un circuito electrónico que detecta la ausencia de consumo de la lámpara que se fundió y manda la orden de conducir al triac de la otra lámpara.
Te aporto el esquema de esto ultimo.
Otra posibles aplicaciones de los triac son en luz crepuscular (Seactiva al anochecer y se apaga de día).
Otra aplicación seria un interruptor MASTERA AND SLAVER que lo que hace es poner en marcha un aspirados cuando arranca una sierra para maderas por ejemplo.

Un triac es en realidad la union de dos tiriostores en antiparalelo.
El triac o diodo controlado de silicio es como su nombre indica un diodo que solo conduce cuando se ceba su terminal GATE con tensión positiva con respecto al cátodo.
El triac en ta formado por dos transistores tal como puedes ver en el gráfico.
Una vez que un tiristor entra en conducción queda auto cebado siempre que la intensidad entrea ánodo y cátodo sea suficiente para mantener excitado internemente el Gate.
El tiristor dejara de conducir si deja de circular corriente entre ánodo y catoso y mientras que el gate este en reposo sin tensión.

.
O sea que en definitiva, lo que buscaba la persona que invento ese componente era lograr encender una luz de manera gradual o arrancar un motor de forma suave en lugar de bruscamente...correcto?
Las posibilidades de aplicación son muchas y todo depende de la capacidad y el nivel técnico del diseñador.
Yo tengo diseñado un regulador para minitrepano de los que se usan en electrónica para perforar las placas PCB.
Como las brocas que se usan son muy finas se rompen con facilidad si el trepano gira muy deprisa y si gira lento se para el motor al taladrar por causa de la fuerza contramotriz.
Por ese motivo invente un regulador con tiristor que hace girar lento el motor en vacío y si se prodice fuerza contramotirz compensa la potencia subiendo la corriente al motor.
Las aplicaciones para ese componente son de lo más diversas y lo mismo se puede usar para hacer una centralita de ignición para motores de combustión que para montar una lámpara stroboscopica xenon.
Los usos más frecuentes son para regulación de potencia mediante dimmer Varilight (partición de fase) o como relé de estado solido en lavadoras domesticas o lava platos y pequeños aparatos.
Algunas lavadoras industriales tiene una variante del triac llamada opto triac y lo usan para accionar electroválvulas, termoactuadores para la puerta, etc.
Hola, lo uniico que me queda por saber ... porque no me queda claro a que te referís con relé de estado solido
Estado solido es cualquier dispositivo electrónico que carece de parte mecánicas.
Un relé es una componente electromecánico compuesto por un solenoide (electroimán) y unas laminas metálicas que abren y cierren circuotp mediante platinos.
Lo mismo hace un relé de estado solido de froma electrónica sin nada de lo que tiene un relé electromecánico.
https://es.wikipedia.org/wiki/Rel%C3%A9_de_estado_s%C3%B3lido
- Compartir respuesta
1 respuesta más de otro experto
"He visto videos y definiciones de lo que es un triac..., según lo que he leído ...; un triac es un interruptor electrónico (semiconductor) que cuando recibe unos pocos voltios, deja pasar la corriente."
La explicación sobre utilización de este dispositivo te la ha dado extensamente desarrollada Jose Miguel.
Pero pensá que esencialmente es un conmutador de Corriente Alterna. Actúa sobre los dos ciclos de la sinusoide. Si se sincroniza la tensión de control ( gate) con la una corriente alterna circulante ( un motor p. ej.) podrás utilizar ambos ciclos completos o fracción angular de cada uno para controlar la corriente ( y la potencia) de la maquina. Mira como controla la corriente de carga el motor el triac:

El triac conduce en ambos ciclos solamente durante el angulo que detemina el controlador sincronizado S1. Por ejemplo durante 3/4 de cada ciclo( 135 °). El resto del tiempo ( 45°) estará apagado. Así puede regular la potencia del motor... y sin las limitaciones que impondría una grosera regulación con reostato.
O sea que la finalidad de ese dispositivo electrónico seria encender y apagar el motro de manera gradual o progresiva... en otras palabras:
Si yo enciendo un motor, para que este arranque en forma gradual y no bruscamente... se invento un triac...¿Estoy correcto?
Pero un reostato, según lo que leí ..., es un toroide arrollado con una bobina y al mover un cursor ..., se aumenta o recude la resistencia del bobinado ... lo que hace que la luz o el motor se vaya apagando o encendiendo de forma gradual..., de manera que ¿No cumple el reostato con el mismo cometido?
El reostato regula la potencia disipando el excedente en forma de calor. Nada recomendable. Además un reostato para un motor de 5oo watts es mucho más voluminoso y caro que una simple plaquetita conteniendo un triac y sus componentes accesorios.
En los variadores de frecuencia no se utilizan. Salvó en algún circuito del bloque de control. Para proporcionar los pulsos que conforman las señales que salen hacia el motor modernamente se emplean los IGBT.
Pero entonces, ¿Qué componente electrónico usa el variador de frecuencia para el arranque suave de un motor?
Pero si vos quieres arrancar un motor suavemente con un triac, ¿tienes que comprarlo aparte e intercalarlo en el circuito?
¿O eso viene adentro de otro equipo? Y en caso afirmativo ¿Qué equipo seria ese?
Los arrancadores llamados soft-starter o arrancadores suaves comúnmente vienen provistos de tiristores ( que serian rectificadores controlados) que trabajan parecido a los triacs pero en un solo sentido. Trabajan solo a la frecuencia nominal del motor.
El variador combina todo, gana en complejidad, y permite además la variación de frecuencia o sea de la velocidad del motor.
Igualmente hay soft-starter que controlan las corrientes de arranque y frenado del motor con un triac por fase. O sea: o dos tiristores en antiparalelo por fase o un triac por fase. Pero todos requieren un sistema de control para los " gates" que generan señales sincronizadas en el momento adecuado. Ningún motor lo trae incorporado. Es un equipo aparte, como lo son los guardamotores ( y bastante caro).
- Compartir respuesta
No gaste polvora en chimangos Albert. Este es un troll que repregunta quinientas veces lo mismo, y estoy seguro que sabe lo que es un triac tan bien como nosotros. Solo le gusta molestar - Boris Berkov
Y ... SI Boris ! ...Estaría empezando a pensarlo ... sdos. Y cuidate ! - albert buscapolos Ing°
Nada que ver señor buscapolos...¿ud cree que me voy a poner a gastar la vista en algo que ya conozco... o el un asunto que no me interesa?... Solo pregunto porque me interesa aprender y me intereso en adquirir más conocimientos. Y es imposible abarcar tanta ciencia en poco tiempo. Seguramente el señor Berkov nació sabiendo todo esto y nunca hizo ninguna pregunta. Ahora si ud cree que lo estoy molestando, tiene libertad para no responderme. El señor Berkov(tal vez aburrido por la cuarentena) es un amargado que esta buscando crear pleito donde no lo hay - Luis Emilio Walker
Es una pena señor berkov..., que en lugar de usar su conocimiento para ayudar a los demas; (como hacen otros participantes que comparten sis conocimientos desinteresadamente) usted se dedique a prejuzgar y descalificar a la gente....., tratando de generar daño, enemistad y problemas entre los participantes del foro. La verdad lamentable lo suyo.... - Luis Emilio Walker
Gracias,,, Voto + - Mario Gomez
Gomez..........¿vos la tenias a esa?? - Luis Emilio Walker
No - Mario Gomez
Me dejas más tranquilo... vistes como todos los días se aprende algo nuevo. Es imposible abarcar todos los conocimientos en poco tiempo - Luis Emilio Walker
¿Qué cosa no tenían?. - Boris Berkov