¿Como resolver este problema de principio de superposición?

----------------------------------------------                                                             

1 respuesta

Respuesta
1

Para aplicar el principio de superposición debes considerar de a una fuente por vez. La fuente que ignoras la reemplazas por un c.c.

Tomas como potencial de referencia la barra inferior.

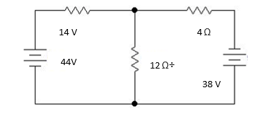
1) Fuente única de 44 volts... resistencia de la fuente de 38 volts = 0

Resistencia equivalente que ve la fuente de 44 volts = 14 + 12//4 = 14 + 3 =17 ohms.

Corriente rama de la izquierda = hacia arriba = 44/ 17= 2.59 A

De aqui .............corriente de rama central = V/12 = (44 - 2.59 x 14)/12 = (44 - 36.26) / 12 = 0.645 A .hacia abajo........................con lo cual corriente de la rama derecha = 2.59 - 0.645 = 1.945 A  ...hacia abajo.

Ahora tendrás que plantear lo mismo considerando como única fuente la de 38 volts y hallarías las nuevas corrientes de cada rama, y su sentido, de acuerdo al sentido de esta fuente ( que es inverso al de la de 44 volts).

Luego sumas algebraicamente las corrientes de cada rama y la central y tendrás resuelto el problema... tanto en las corrientes de rama como el potencial del nodo superior.

Si tienes los resultados a la vista y no coinciden volvés a consultarnos.

Añade tu respuesta

Haz clic para o

Más respuestas relacionadas