Frigorífico Samsung solo arranca cada primera vez
Frigorífico electrónico SAMSUNG NoFrost RL39SBSW DA68-00476C
Funciona correctamente hasta que alcanza las correctas temperaturas interiores (+11ºC refrigerador y -6ºC en congelador). Entonces se para y ya no vuelve a arrancar por mucho que aumente la temperatura interior. Si lo desenchufó/enchufo de la pared, o lo hago con el botón POWER del panel frontal, entonces sí que vuelve a arrancar hasta alcanzar nuevamente las temperaturas normales, y vuelve a quedarse "dormido" (luz interior y leds frontales encienden).
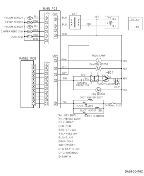
- He comprobado a la entrada de la placa los valores de los 3 sensores (refrigerador, congelador y evaporador) y coinciden con las tablas para sensores Samsung 5K ... Dando por buena diferencia de 1 ó 2 grados todo parece OK.
- En el congelador, he revisado que la resistencia de deshielo calienta, la trampilla giratoria del Damper y el ventilador funcionan, el agua de la bandeja desagua a la cubeta trasera sobre el compresor, ... Todo parece OK.
- En la placa DA41-00042A he comprobado varistor, resistencias, capacitores, triac y relés (3 con ref F3AA012E y otro mayor VSB-12TB. Comprobados sin quitar de la placa, medir bobinas y continuidad en las salidas aplicando imán de neodimio, no con 12V) ... Todo parece OK.
No sé qué más mirar ...¿la obsolescencia programada? ;-DDD
Se agradece cualquier ayuda o sugerencia




3 respuestas
Has comprobado el condensador cuadrado azul de la entrada de corriente es el que suele fallar más y puede dar estos problemas. Si tiene una capacidad inferior al 20% de la marcada cambialo.
Ésa caja azul la tengo en pendiente, ni sabía lo que era, trae impresa la siguiente inscripción:
100nM+120 ohmios
PCRC 420 250V-X2
40/085/21
MKP
PILKOR WK0350
Es esto:
https://detail.1688.com/offer/1270132777.html
Parece ser un condensador de 104 uF / 100nF que actúa como filtro.
Creo que puede ser el culpable. Si se ha descapacitado puede ser ese el motivo por el que tu nevera no funciona. Modelo en frio y en caliente, en frio debería funcionar dado que te deja arrancar la nevera perfectamente, es cuando se calienta cuando falla. Si varia la capacidad en frio y caliente (baja la capacidad en caliente) entonces tiene muchos números de ser el culpable.
Es ése exactamente.
Primero sacarlo para comprobarlo y después ver donde se compra "éso" o algo que lo sustituya aquí en España.
Aunque mirando la última foto de la placa (situado horizontalmente a la izquierda del relé grande), le vería más explicación a que su fallo solo afectase a la luz interior o al damper (y la luz siempre funciona)
No se de donde viene:
https://www.tokopedia.com/maisaroh/capacitor-mylar-100n-mkp-420-250v
https://www.bukalapak.com/p/elektronik/komponen-elektronik/7mnaqd-jual-capasitor-100n-250v-pilkor
Aquí si que lo he encontrado para España, pero con envío 12 dolares + 2,8 dolares la pieza:
https://www.hxlstore.com/39653339297.shtml#
Yo revisaría la capacidad no necesitas ni desoldarlo de la placa, si te da 0,1uF estará bien, si te da un 20% menos yo lo cambiaría, aunque sea conectando una resistencia de 120 ohms a un condensador MKP de 100nF
Es un filtro parecido a un EMI, pero para frecuencias y ruidos:
No creo que solo sirva para encender un damper, si fuera así con la resistencia más que suficiente, ¿no? No digo que este seguro que esta pieza es el fallo, no lo había visto con la doble función resistencia + capacitor, pero es lo más parecido al condensador de entrada de corriente. ¿La placa tiene otro condensador de entrada de corriente MKP?
No, solo tiene ése azul. Los otros 3 son electrolíticos:
Grande: 1000 uF 35V 85ºC
Mediano 470 uF 25V 85ºC
Pequeño 100 uF 16v 85ºC
Ya, esos ya los he visto, el problema que tienes es que va bien cuando esta frio, y cuando esta frio es cuando mides, así que todo te dará OK pero algo cuando se calienta no esta OK. Podría ser la sonda del evaporador (ya me ha pasado), alguno de esos 3 condensadores o el filtro que te he comentado. Además de otras cosas. Pero por algo hay que empezar...
@AlbertNuñez hay novedades...
Leyendo tu respuesta "...Podría ser la sonda del evaporador (ya me ha pasado)..." dudé si te referías en la cubeta trasera del compresor o el sensor de la resistencia dentro del congelador.
Lo dejé funcionando hasta que las paredes laterales estaban calientes y entonces desmonté el congelador... ¡¡¡había hielo en las rejillas y la bandeja del desagüe estaba congelada!!!
La primera vez que lo abrí -previamente estuvo dias descongelando- y por éso allí no vi nada, solo comprobé que desaguaba correctamente.
Hoy mido la resistencia del congelador y ¡¡¡está abierta!!!. Supongo que para cambiarla con el entramado entre ella y los frágiles tubos del compresor, ya será tarea para un especialista (si económicamente compensa) y no de un aficionado como yo... ;-(((
Ojo, la resistencia lleva un fusible térmico en serie con ella, es raro que se abra la resistencia, suele abrirse el fusible, cambiarlo es fácil.
https://fallaselectronicas.com/fusible-termico-y-bimetal-diferencias/
Sigue los dos cables de la resistencia, pegado al serpentín debería estar el fusible térmico. Si ves que el cable se ensancha un poquito esta ahi, es muy pequeño.
Referente a la foto que acabo de ver que has mandado, el fusible térmico debería estar aquí:

Donde esta marcado en rojo, seguramente es una bolsita como esta:

La flecha amarilla es el fusible térmico, confirma que tenga continuidad.
Gracias @AlbertNuñez por tu seguimiento. No se si tendrá reparación, pero estoy aprendiendo mucho con cada una de tus indicaciones.
Mañana lo abriré de nuevo y procuraré fotos y esquema eléctrico de todos los elementos del congelador.
- Sobre la zona roja "parecen" retráctil cubriendo las soldaduras inicial y final del serpentín, pero no recuerdo ver cables ahí.
- Sobre la entrada de aire del damper sí que hay 2 bolsitas de ésas que yo interpreto switch abierto a temperatura ambiente.
(adjunto fotos como una nueva respuesta, pues desde aquí no veo la opción)
¿retrractil rojo? Sin cables, cubriendo soldaduras de inicio y fin del serpentín:

¿Doble switch? Adherido por la cara interna del panel, sobre el canal de aire del damper giratorio:

Sensor del congelador. Va entre el panel exterior que queda visto al abrir la puerta y la que cubre los serpentines, resistencias, etc:

Sensor de la nevera en su parte superior, refrigerador no congelador, situado en la pared interior derecha:

La segunda foto empezando por arriba, ¿el cable rojo eso es la resistencia no? Las dos piezas de empalme transparente parecen los conectores, sigue los cables a ver si ver el fusible térmico.
¿Te marca circuito abierto la resistencia no? Busca a ver en ella si encuentras algo mas ancho con termoretractil seguramente estará incorporado en el propio cable.
El cable rojo efectivamente sale de uno de los extremos de la resistencia, el otro es rosa y ninguno de los dos lleva termofusible desde el final de la resistencia (tapón negro) hasta el conector donde mido (azul) y comprobado... no hay continuidad ;-((

Lo mismo parece que le pasó a éste fenómeno ruso (mismo congelador), pero yo le tengo mucho respeto a los minutos 08:45 y 30:55 ¿no son muy frágiles esos tubos que van al compresor?
Si son frágiles, pero si solo lo doblas una vez dudo que se haga un poro. Si no hay fusible térmico, que por lo que veo no lo hay, toca cambiar resistencia.
En la foto ultima que has mandado, hay una zona más ancha, justo al empezar el tubo de la resistencia donde seguramente va alojado el fusible térmico, pero imagino que esta muy mal para acceder ahí. Como tu lo veas, si quieres llamar a un técnico te entiendo perfectamente.
¿Un técnico para sacar 2 tornillos? ...con un poco de cuidado valdrá cualquiera ;-DD
Como allí dentro una resistencia cortada no pintaba nada, la saqué y volví a montar el congelador sin ella. Los tubos al compresor han aguantado los dos giros para sacar y meter.

En ambos extremos tiene un ensanchamiento, pero vienen remachados a presión, no para abrir, mirar y cerrar:

...a no ser que saques la Dremel ;-DD

Y encontrarte que allí dentro no hay más que la unión del hilo de resistencia al cable rojo.
El aparato funcionando y yo cada 6/10 horas dándole al "POWER" para que siga. Dicha resistencia no la venden por separado, venderían (muy caro) todo el kit de enfriador/calentador/marco y habría que cortar + soldar + cargar el circuito del compresor. El ruso adapta una resistencia que si que venden suelta para otros modelos Samsung, lo único que hay que injertarle el cableado y conectores de la vieja a la nueva.
Con referencia DA47-00139 (y terminada en A,B, C, D, E...) la he encontrado en varias tiendas OnLine de Ukrania por 7-8€,. Pegaré una ronda por los recambistas de mi ciudad y si no habrá que ver por cuanto se puede traer...
http://alldetails.com.ua/ten-ottayki-samsung-da47-00139a
...continuará!!! Y mil gracias @AlbertNuñez por seguir tutelando la avería
Genial, te veo muy puesto en el tema, Si te apetece prueba a ver si al otro lado de la resistencia también hay ensanchamiento, si es así, desmóntalo como has hecho con este a ver si hay el fusible allí y mide la resistencia desde la propia resistencia, saltándote el empalme. En bobinados ya me ha pasado que se quema el empalme y deja de funcionar el motor. Podría haber pasado lo mismo. Y si es así, puedes volverla a montar sellando bien.
Del otro extremo parece estar "mejor" pues sin abrirlo, sí que hay continuidad interior desde su cable rosa hasta el extremo abierto ...aunque con sólo 182 ohm frente a los 230-260 que las dan por buenas.
Lo de cortarle unos centímetros al tubo y volver a sellar ¿con silicona? (al cortar salía polvo gris como de cemento) lo dejaremos como ultimísima opción, casi prefiero pagar por la ucraniana.
Ah claro, el cemento que aísla la resistencia de la vaina se habrá desprendido, Lastima, por que si la conectas con esos 182 ohms fijo que funciona. Aunque si se ha dañado el aislante cerámico mejor no jugártela podría estar derivada. Bueno ya nos contaras que has hecho. El día que tenga que cambiar la resistencia del nofrost ya se a quien preguntar :)
¿Entonces el fallo estaba en el empalme que has abierto no? Si es así abre el empalme no sea cosa que tenga un fusible debajo del aislante (en vez de un empalme).
Exacto, dentro de ésa zona ensanchada del tubo estaba todo muy degradado y la unión de cable a resistencia se deshacía con la mano, pero ahí fusible no hay. El termofusible éste congelador lo lleva en el marco derecho del armazón resistencia+serpentín. Por su parte superior se ven 2 conectores azules con cables que bajan por dentro del "chasis" de corcho.
La hembra que tiene los cables rojo y blanco, lleva al fusible térmico DA47-10162F que no se ve desde el exterior:

Y el macho con cables amarillos, lleva al sensor del serpentín DA32-10109P que va sujeto con dos bridas en la parte inferior derecha del serpentín:

Ah, es buena esta nevera, suelen llevarlos unidos a la resistencia así cuando se estropea el termofusible tienes que cambiar la resistencia entera. Esta parece ser que esta diseñada para repararse.
Tras patearne los almacenes de recambistas en mi ciudad, todos me remitían al ST de Samsung, y allí me planté. El conjunto del evaporador más de 150€, la resistencia sola no la venden, y la "adaptable" del otro modelo 48€ pero habría que pedirla a fábrica. Hasta 5 emails he enviado a tiendas OnLine que la venden en Ukrania por 9-11€ peeeero NI UNA me ha respondido para enviármela a España. Así que la he pedido en EBay Lituania y en una/dos semanas estará aquí.
https://m.ebay.es/itm/GENUINE-SAMSUNG-LG-DEFROST-HEATER-DA47-00139E-DA47-00139B/282381570135?hash=item41bf40d057:g:cJwAAOSwB-1YuSWH
...seguiremos informando

(A la izquierda la nueva)
FIN DE LA AVERÍA:
Pedida la resistencia por eBay a Lituania en 9 días la entregaron en puerta. Medida 222 ohmios. A la nueva le hemos de cortar los dos cables que trae y aprovechar los de la vieja con sus conectores que hemos dejado funcionando en la nevera, aprovecharemos también la bandeja inferior de deshielo. Es empotrarla en el serpentín, conectar y cerrar... media hora con los ojos cerrados. POWER ON y a esperar a que la nevera pare y reinicie sola... ¡¡¡TODO PERFECTO!!!
(a ver si aguanta otros 13 años)
;-DDD
- Compartir respuesta

Rejillas con hielo y bandeja con agua congelada tras 3 días encendido el aparato (a golpe de POWER cada 4-6 horas).
La primera vez que lo abrí fue tras varios días de dejarlo descongelando y por éso allí no ví nada, solo comprobé que echándole agua en la bandeja la tiraba correctamente a la parte posterior del compresor.
Hoy mido la resistencia del congelador y ¡Está abierta!. Supongo que para cambiarla con el entramado entre ella y los frágiles tubos del compresor, ya será una tarea para especialista (si económicamente compensa) y no de un aficionado como yo... ;-(((
- Compartir respuesta
Todo parece OK pero,... evidentemente está claro que no es OK
Los frigorificos, tienen solo 4 cositas se pueden estropear,.. compresor,.. escape del gas,.. termostato y la bombilla del interior,.. ántes duraban años y años sin averiarse, al cabo de los 15 o 20 años los compresores hacian Kaputt, y la gente se compraba otro nuevo,.. para otros 20 años...
Dicho lo anterior, por hacer un poco de historia,... vamos a los de hoy,... relativo a la obsolescencia programada a la que Utd. Alude.
No, yo creo que no es ésto, sobre todo tratando de frigorificos,.. porque las averias de hoy, son las mismas de siempre pero,...
Ahora vienen con una plaquita electrónica,.. que es la que se estropea y mas concretamente su circuito integrado, que es el que regula las acciones sobre los sensores de temperatura, de toda la vida, llamados termostatos...
Esa temperaturas que Utd. Define como "correctas" no lo son tanto,... la zona refrigeradora de un frigorifico,.. debe de poder estar graduandolo manualmente entre los + 5 y los + 8 º C. esos + 11º son totalmente anormales.
No digamos los ´-- 6º del congelador,... cuando lo normal es que se ponga a -- 18º
En definitiva, en las fotos que nos adjunta, no podemos ver ni deducir nada,.. yo sé (por los sintomas) que tiene una averia en la placa electrónica,.. y casi seguro que el componente averiado es uno de los varios C.i.s (circuitos integrados) o la memoria (que es otro CI ) en cualquier caso, tanto si son,.. éstos componentes o son los sensores, no tenemos la especificacion o matricula de éste tipo de recambios,.. los cuales solo los tienen los fabricantes a través de una numeración propia,... para evitar "intrusismos" de post - venta en sus productos, ... solo el ST de éllos podrán cambiar una placa electrónica que no existe en el mercado de recambios.
En cuanto a los otros componentes normalizados,.. como son los condensadores y resistencias,.. no hay problema de comprarlos en la tienda pero,.. éstos componentes no suelen estropearse, respecto de su averia tampoco son los culpables.
Lo siento Chispa,... tendrás que llamar al S.T. de Samsung y ya nos dirás el resultado cual ha sido al final,... me gustaria confirmar que acerté con mi pronostico,...
Un congelador que se precie,.. debe de bajar su temperatura hasta los -- 18º C.
SALUDOS y,.. no olvides calificar las respuestas.
Gracias @SuperYou
Para regular ésta nevera el usuario, solo tiene en el frontal un panel con una escala de 5 leds que se van encendiendo en serie por cada pulsación del botón "RefTemp" (junto con el de "Powe" no hay más botones, termostatos ni pantallas). Las tomas de temperatura para comparar con las tablas, fueron hechas en el nivel mas bajo (solo el primer led encendido) por no esperar mas tiempo, pero regulando a máxima potencia ambas temperaturas siguen bajando más (acabó de ver -14 en el congelador).
Si es problema de un C.I. supongo no habrá quien le meta mano a éso, pero pudiendo ser el condensador azul de supresión de interferencias como apunta @AlbertNuñez, en cuanto tenga un rato me pongo a ello para desoldarlo y comprobarlo/reemplazarlo.
En cualquier caso reportaré aquí hasta donde llegue, y mil gracias por vuestras indicaciones!!!
(Dejó link al Manual de Mantenimiento por si algún otro usuario lo precisa para desmontar)
https://www.yumpu.com/en/document/view/24029892/green-portal-do-eletrodomacstico
- Compartir respuesta