Cómo conectar cronotermostato caldera gasoil roca CC-105
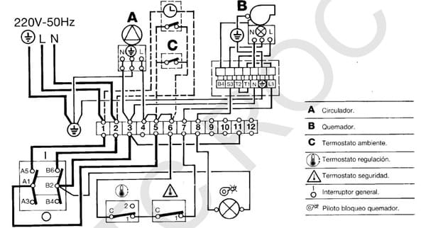
Tengo una caldera de gasoil roca con caja de conexión CC-105.
Actualmente la maniobra está con un reloj programador que actua sobre la entrada de tensión y un termostato que actua sobre el quemador(conectado entre las clemas 5 y 6).
Quiero cambiar toda la maniobra por un cronotermostato. El problema es que todos los cronotermostatos solo tienen una salida y por tanto o solo corto el encendido del quemador o bien corto quemador y bomba de circulación si quito los puentes. En este último caso, mi duda es si es correcto que el agua deje de circular por los radiadores cuando el termostato corta la corriente cuando llega a la temperatura de consigna.
1 respuesta
Respuesta


Buenas a todos. Aprovechando el hilo de la CC-105, quiero convertirla en caldera de leña. ¿Cómo debería re-hacer las conexiones para que las bombas funcionen, o al menos la de circulación de calefacción, sin que esté el quemador encendido? Ahora las bombas se activan cuando le das al piloto de reinicio del quemador. Intenta arrancar pero como no hay gasoil se para, parando tambien las bombas. ¿Sería factible? o mejor conectar las bombas directamente a un interruptor manual o wifi. Muchísimas gracias de ante-mano. - Jordi Ramon